«Գրանցված է» ՀԱՅԱՍՏԱՆԻ ՀԱՆՐԱՊԵՏՈՒԹՅԱՆ
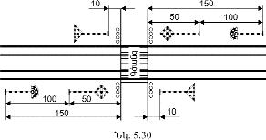
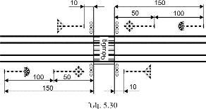
9 հունվարի 2002 թ. Հ Ր Ա Մ Ա Ն ՀԱՅԿԱԿԱՆ ԵՐԿԱԹՈՒՂՈՒՄ ԱԶԴԱՆՇԱՆՄԱՆ ՀԱՄԱԿԱՐԳԻ ՀՐԱՀԱՆԳԻ ՀԱՍՏԱՏՄԱՆ ՄԱՍԻՆ Ղեկավարվելով ՀՀ կառավարության 14.07.2000 թ. թիվ 401 որոշման առաջին կետով և երկաթուղային համակարգի ներդաշնակ գործունեությունն ու երթևեկության անվտանգությունն ապահովելու նպատակով. Հրամայում եմ՝ 1. Հաստատել Հայկական երկաթուղում ազդանշանման համակարգի հրահանգը: 2. Հրահանգը սահմանված կարգով ներկայացնել ՀՀ արդարադատության նախարարություն՝ պետական գրանցման: Ա. Մանուկյան Հ Ր Ա Հ Ա Ն Գ Հ Հ Ե Ր Կ Ա Թ ՈՒ Ղ ՈՒ Ա Զ Դ Ա Ն Շ Ա Ն Մ Ա Ն Հ Ա Մ Ա Կ Ա Ր Գ Ի ԸՆԴՀԱՆՈՒՐ ԴՐՈՒՅԹՆԵՐ 1. Սույն հրահանգը բխում է ՀՀ վարչապետի 1998 թ. նոյեմբերի 9-ի N 625 որոշմամբ հաստատված հայկական երկաթուղու դեպարտամենտի կանոնադրության 5.7 կետով սահմանված իրավասությունից: 2. Ազդանշանման հրահանգը սահմանում է տեսանելի և ձայնային ազդանշանների՝ գնացքների երթևեկության և մանևրային աշխատանքին վերաբերող հրամանները և ցուցումները հաղորդելու համակարգը, ինչպես նաև ազդանշանման սարքերի տեսակները, որոնց միջոցով տրվում են այդ ազդանշանները: 3. Ազդանշանման հրահանգով սահմանված պահանջների ճշգրիտ և անառարկելի կատարումը ապահովում է գնացքների երթևեկության և մանևրային աշխատանքի անվտանգությունը և անխափան գործունեությունը: 4. Ազդանշանման հրահանգը պարտադիր է երկաթուղային տրանսպորտի բոլոր ստորաբաժանումների և աշխատողների համար: Այն կարող է փոփոխվել միայն ՀՀ տրանսպորտի և կապի նախարարի հրամանով: 5. Երկաթուղում ազդանշանմամը վերաբերող բոլոր մյուս հրահանգները և ցուցումները պետք է խստորեն համապատասխանեն սույն հրահանգի պահանջներին: Գ Լ ՈՒ Խ 1 ԱԶԴԱՆՇԱՆՆԵՐ 1.1 Ազդանշանները ծառայում են գնացքների անվտանգ երթևեկության ապահովմանը, ինչպես նաև գնացքների երթևեկության և մանևրային աշխատանքների ճշգրիտ կազմակերպմանը: Ազդանշանները լինում են տեսանելի և ձայնային: ՏԵՍԱՆԵԼԻ ԱԶԴԱՆՇԱՆՆԵՐ 1.2 Տեսանելի ազդանշանները արտահայտվում են գույնով, ձևով, դրությամբ և ազդանշանային ցուցմունքների թվով: Տեսանելի ազդանշաններ տալու համար օգտագորվծում են լուսաֆորներ, սկավառակներ, վահանակներ, դրոշակներ, ազդանշանային ցուցանշաններ և ազդանշանային նշաններ: Տեսանելի ազդանշանները ըստ օգտագործման ժամանակի լինում են. Ցերեկային՝ տրվում է օրվա լույս ժամանակ: Նման ազդանշաններ տալու համար օգտագործվում են սկավառակները, դրոշակները, վահանակները և ազդանշանային ցուցանշանները (սլաքային, գծային արգելափակման և ջրաբաշխասյան): Գիշերային՝ տրվում է օրվա մութ ժամանակ: Որպես այդպիսիք ծառայում են ձեռքի և գնացքային լապտերների, ձողերի վրա լապտերների և ազդանշանային ցուցանշանների լույսերի ընդունված գույները: Գիշերային ազդանշանները պետք է օգտագործվեն նաև ցերեկը՝ մառախուղի, բքի և այլ ոչ նպաստավոր պայմանների դեպքում, երբ կանգառի ցերեկային ազդանշանների տեսանելիությունը պակաս է 1000 մետրից, արագության նվազեցման ազդանշաններինը՝ 400 մետրից, մանևրայիններինը՝ 200 մետրից: Շուրջօրյա՝ միատեսակ տրվում է օրվա լույս և մութ ժամանակ: Որպես այդպիսիք ծառայում են լուսաֆորների լույսերի սահմանված գույները, երթուղային և մյուս լուսացուցանշանները, արագության նվազեցման մշտական սկավառակները, դեղին գույնի (հակառակ կողմը կանաչ գույն) քառակուսի վահանակները, բեռնատար գնացքի պոչամասը նշող անդրադարձիչներով կարմիր սկավառակները, ազդանշանային ցուցանշանները և նշանները: Թունելներում կիրառվում են միայն գիշերային կամ շուրջօրյա ազդանշաններ: ՁԱՅՆԱՅԻՆ ԱԶԴԱՆՇԱՆՆԵՐ 1.3 Ձայնային ազդանշանները արտահայտվում են տրման քանակով և տարբեր տևողության ձայների զուգակցումով: Նրանց նշանակությունը ցերեկով և գիշերով նույնն է: Ձայնային ազդանշանների տրման համար օգտագործում են գնացքաքարշերի, մոտորավագոնային գնացքների և դրեզինաների սուլիչները, ձեռքի սուլիչները, եղջերափողերը, սիրենաները, շչակները և պետարդները: Պետարդի պայթյունը պահանջում է անհապաղ կանգառ: Գ Լ ՈՒ Խ 2 ՄՇՏԱԿԱՆ ԱԶԴԱՆՇԱՆՆԵՐ 2.1 Մշտական ազդանշաններին են պատկանում լուսաֆորները, որոնք ըստ նշանակության լինում են. Մուտքի՝ թույլատրում կամ արգելում է գնացքի ընդունումը վազուրդից կայարան Ելքի՝ թույլատրում կամ արգելում է գնացքի մեկնումը կայարանից վազուրդ Երթուղային՝ թույլատրում կամ արգելում է գնացքի տեղաշարժը կայարանի մի մասից մյուսը Միջանցիկ՝ թույլատրում կամ արգելում է գնացքի անցումը մեկ բլոկ-տեղամասից մյուսը Պաշտպանող՝ սահմանափակում է երկաթուղու հատման տեղը նույն հարթության վրա գտնվող մյուս երկաթուղիների, տրամվայի և տրոլեյբուսի գծերի, բացվող կամուրջների և ուղեկցողով անցնող տեղամասերի հետ Արգելափակող՝ պահանջում է կանգառ երթևեկության համար վտանգի դեպքում՝ ծագած գծանցներում, խոշոր արհեստական կառույցներում և փլուզվող տեղերում, ինչպես նաև օգտագործվում է կայարաններում գնացքակազմի զննման և վագոնների վերանորոգման ընթացքում նրանց պաշտպանափակելու համար Նախազգուշացնող՝ նախազգուշացնում է հիմնական լուսաֆորի (մուտքի, անցումային, արգելափակող և պաշտպանող) ցուցմունքի մասին Կրկնող՝ ազդարարում է ելքի, երթուղային լուսաֆորների թույլատրող և բլրային լուսաֆորի ցուցմունքների մասին, երբ տեղային պայմանները հիմնական լուսաֆորի տեսանելիությունը չեն ապահովում Գնացքաքարշային՝ թույլատրում կամ արգելում է գնացքին ընթանալ վազուրդի մեկ բլոկ-տեղամասից մյուսը, ինչպես նաև նախազգուշացնում է այն գծային լուսաֆորի ցուցմունքի մասին, որին մոտենում է գնացքը Մանևրային՝ թույլատրում կամ արգելում է մանևրների կատարումը Բլրային՝ թույլատրում կամ արգելում է վագոնների բաց թողումը բլրից: Մեկ լուսաֆորը կարող է համատեղել մի քանի նշանակություն՝ մուտքի և ելքի, ելքի և մանևրային, ելքի և երթուղային և այլն: 2.2 Կիրառվում են ոսպնյակավոր (նկ. 2.5 ա) և լուսարձակային (նկ. 2.5 բ) լուսաֆորներ, որոնք լինում են կայմային (նկ. 2.6 ա, բ, դ), գաճաճ (նկ. 2.6 գ), ինչպես նաև լուսաֆորներ տեղադրված կամրջակների և բարձակների վրա: Լուսաֆորների վրա ազդանշանային լույսերը լինում են նորմալ վառվող, նորմալ չվառվող, չթարթող և թարթող (պարբերաբար վառվող և հանգող): Միջանցիկ լուսաֆորների նորմալ չվառվող ազդանշանային լույսերը ավտոուղեփակումով սարքավորված տեղամասերում վառվում են շարժակազմի դիմաց՝ նրա բլոկ-տեղամաս մտնելու դեպքում և հանգում շարժակազմի այդ բլոկ-տեղամասից դուրս գալիս: Ավտոուղեփակման միջանցիկ լուսաֆորները նշվում են թվերով, բոլոր մյուսները՝ տառերով կամ տառերը թվերի հետ միասին: 2.3 Լուսաֆորներից տրվող ազդանշանների հիմնական նշանակությունները (անկախ տեղադրման վայրից և նրանց նշանակությունից) հետևյալներն են. Մեկ կանաչ լույս՝ «Թույլատրվում է երթևեկությունը սահմանված արագությամբ, հաջորդ լուսաֆորը բաց է»: Մեկ դեղին թարթող լույս՝ «Թույլատրվում է երթևեկությունը սահմանված արագությամբ. հաջորդ լուսաֆորը բաց է և պահանջում է նրա անցումը նվազեցված արագությամբ»: Մեկ դեղին լույս՝ «Թույլատրվում է երթևեկությունը, պատրաստ լինելով կանգնելու, հաջորդ լուսաֆորը փակ է»: Երկու դեղին լույս, նրանցից վերինը թարթող՝ «Թույլատրվում է լուսաֆորի անցումը նվազեցված արագությամբ, գնացքը շեղումով ընթանում է սլաքային փոխադրիչի վրայով. հաջորդ լուսաֆորը բաց է»: Երկու դեղին լույս՝ «Թույլատրվում է լուսաֆորի անցումը նվազեցված արագությամբ և պատրաստ կանգնելու հաջորդ լուսաֆորի մոտ, գնացքը շեղումով ընթանում է սլաքային փոխադրիչի վրայով. հաջորդ լուսաֆորը փակ է»: Մեկ կարմիր լույս՝ «Կանգնի'ր, արգելվում է անցնել ազդանշանը»: Թվարկված ազդանշանների կիրառումը տարբեր նշանակության լուսաֆորների վրա նախատեսվում է սույն հրահանգի համապատասխան կետերում: Սույն հրահանգով չնախատեսված դեպքերում այդ ազդանշանների կիրառման կարգը նրանց ազդանշանային նշանակությունները պահպանելով, որոշվում է երկաթուղու դեպարտամենտի կողմից: ՄՈՒՏՔԻ ԼՈՒՍԱՖՈՐՆԵՐ 2.4 Մուտքի լուսաֆորներով տրվում են հետևյալ ազդանշանները. Մեկ կանաչ լույս՝ «Թույլատրվում է գնացքին ընթանալ կայարանի գլխավոր ուղով սահմանված արագությամբ. հաջորդ լուսաֆորը (երթուղային կամ ելքի) բաց է» (նկ. 2.1 ա): Մեկ դեղին թարթող լույս՝ «Թույլատրվում է գնացքին ընթանալ կայարանի գլխավոր ուղով սահմանված արագությամբ. հաջորդ լուսաֆորը (երթուղային կամ ելքի) բաց է և պահանջում է նրա անցումը նվազեցված արագությամբ» (նկ. 2.1 բ): Մեկ դեղին լույս՝ «Թույլատրվում է գնացքին ընթանալ կայարանի գլխավոր ուղով՝ պատրաստ լինելով կանգնելու. հաջորդ լուսաֆորը (երթուղային կամ ելքի) փակ է» (նկ. 2.2 ա): Երկու դեղին լույս, նրանցից վերինը թարթող՝ «Թույլատրվում է գնացքին ընթանալ կայարանի կողային ուղի, նվազեցված արագությամբ. հաջորդ լուսաֆորը (երթուղային կամ ելքի) բաց է» (նկ. 2.2 բ): Երկու դեղին լույս՝ «Թույլատրվում է գնացքին ընթանալ կայարանի կողային ուղի՝ նվազեցված արագությամբ և պատրաստ լինելով կանգնելու. հաջորդ լուսաֆորը (երթուղային կամ ելքի) փակ է» (նկ. 2.2 գ): Մեկ կարմիր լույս՝ «Կանգնի'ր, արգելվում է անցնել ազդանշանը» (նկ. 2.2 դ): 2.5 Սլաքային փոխադրիչների վրայով գնացքների կողային ուղիներ ընդունման դեպքում մուտքի և երթուղային լուսաֆորներով տրվում են հետևյալ ազդանշանները. Մեկ թարթող կանաչ և մեկ դեղին լույսեր և մեկ կանաչ լուսավորվող շերտագիծ՝ «Թույլատրվում է գնացքին ընթանալ կայարանի կողային ուղի ոչ ավելի քան 80 կմ/ժ արագությամբ. հաջորդ լուսաֆորը (երթուղային կամ ելքի) բաց է և պահանջում է նրա անցումը ոչ ավելի քան 80 կմ/ժ կամ տվյալ կայարանի համար սահմանված արագությամբ» (նկ. 2.3 ա): Երկու դեղին լույս և մեկ կանաչ լուսավորվող շերտագիծ՝ «Թույլատրվում է գնացքին ընթանալ կայարանի կողային ուղի ոչ ավելի քան 80 կմ/ժ կամ տվյալ Անհրաժեշտ դեպքերում մուտքի և երթուղային լուսաֆորներով կարող է տրվել ազդանշան մեկ կանաչ թարթող լույս՝ «Թույլատրվում է գնացքին ընթանալ կայարանի գլխավոր ուղով սահմանված արագությամբ, հաջորդ լուսաֆորը (երթուղային կամ ելքի) բաց է և պահանջում է նրա անցումը ոչ ավելի քան 80 կմ/ժ կամ տվյալ կայարանի համար սահմանված արագությամբ» (նկ. Առանձին կայարաններում անհրաժեշտ Ուղու հաջորդ հատվածը զբաղեցված է այլ մոտորավագոնային գնացքով (նկ. 2.4 բ): ՀՐԱՎԻՐՈՂ ԱԶԴԱՆՇԱՆՆԵՐ 2.6 Հրավիրող ազդանշան՝ մեկ լուսնասպիտակ թարթող լույս՝ «Թույլատրվում է գնացքին անցնել Այդ ազդանշանը կիրառվում է մուտքի, ինչպես նաև երթուղային և ելքի (բացի խմբակային) լուսաֆորների վրա: Ելքի լուսաֆորի հրավիրող ազդանշանով մեկնումը թույլատրվում է միայն ավտոուղեփակումով սարքավորված երկուղի վազուրդի ճիշտ ուղով: ԵԼՔԻ ԼՈՒՍԱՖՈՐՆԵՐ 2.7 Ավտոուղեփակումով սարքավորված տեղամասերում ելքի լուսաֆորներով տրվում են ազդանշաններ. Մեկ դեղին լույս՝ «Թույլատրվում է գնացքին մեկնել կայարանից և ընթանալ՝ պատրաստ լինելով կանգառի. հաջորդ լուսաֆորը փակ է» (նկ. 2.6 բ): Երկու դեղին լույս, նրանցից վերինը թարթող՝ «Թույլատրվում է գնացքին մեկնել կայարանից նվազեցված արագությամբ, գնացքը շեղումով ընթանում է սլաքային փոխադրիչի վրայով. հաջորդ լուսաֆորը բաց է» (նկ. 2.6 ե): Երկու դեղին լույս՝ «Թույլատրվում է գնացքին մեկնել կայարանից նվազեցված արագությամբ, գնացքը շեղումով ընթանում է սլաքային փոխադրիչի վրայով. հաջորդ լուսաֆորը փակ է» (նկ. 2.6 զ): Մեկ կարմիր լույս՝ «Կանգնի'ր, արգելվում է անցնել ազդանշանը» (նկ. 2.6 գ, դ): Մեկ կանաչ թարթող և մեկ դեղին լույս, մեկ կանաչ լուսավորված շերտագիծ՝ «Թույլատրվում է գնացքին մեկնել կայարանից ոչ ավելի, քան 80 կմ/ժ կամ տվյալ կայարանի համար սահմանված արագությամբ, գնացքը շեղումով ընթանում է սլաքային փոխադրիչի վրայով. հաջորդ լուսաֆորը բաց է» (նկ. 2.7 ա): Երկու դեղին լույս և մեկ կանաչ լուսավորված շերտագիծ՝ «Թույլատրվում է գնացքին մեկնել կայարանից ոչ ավելի քան 80 կմ/ժ կամ տվյալ կայարանի 2.9 Կիսաավտոմատ ուղեփակումով սարքավորված տեղամասերում ելքի լուսաֆորներով տրվում են հետևյալ ազդանշանները. Մեկ կանաչ լույս՝ «Թույլատրվում է գնացքին մեկնել կայարանից և ընթանալ ընդունված արագությամբ. վազուրդը մինչև հաջորդ կայարան ազատ է» (նկ. 2.8 ա): Մեկ կարմիր լույս՝ «Կանգնի'ր, արգելվում է անցնել ազդանշանը» (նկ. 2.8 բ): Երկու դեղին լույս՝ «Թույլատրվում է գնացքին մեկնել կայարանից նվազեցված արագությամբ, գնացքը շեղումով ընթանում է սլաքային փոխադրիչի վրայով, վազուրդը մինչև հաջորդ կայարան (գծային պոստ) ազատ է» (նկ. 2.9 ա): Երկու դեղին լույս՝ նրանցից վերինը թարթող՝ «Թույլատրվում է գնացքին մեկնել կայարանից նվազեցված արագությամբ, գնացքը շեղումով ընթանում է սլաքային փոխադրիչի վրայով, վազուրդը մինչև հաջորդ 2.10 Ուղեփակումով սարքավորված ճյուղավորման առկայության դեպքում, ուղեփակումով սարքավորված բազմուղի տեղամասերում (ցույց տալու համար ուղին, որտեղ մեկնում է գնացքը) և երկկողմանի ավտոուղեփակումով սարքավորված երկուղի տեղամասերում ելքի լուսաֆորի լույսերը անհրաժեշտ դեպքում լրացվում են երթուղային ցուցանշանների համապատասխան ցուցմունքով, որոշված երկաթուղու դեպարտամենտի կողմից: Երթուղային ցուցանշանի բացակայության դեպքում գնացքին մեկնելու թույլտվություն դեպի Ավտոուղեփակումով սարքավորված տեղամասերի ոչ ճիշտ ուղով մեկնելու դեպքում երթուղային ցուցանշանի կամ երկու կանաչ լույսերի ազդանշանի կիրառումը պարտադիր է: 2.11 Ելքի լուսաֆորներ ունեցող կայարաններում ելքի լուսաֆորի մեկ լուսնասպիտակ լույսով ցույց է տրվում ուղեփակումով չսարքավորված ճյուղավորման առկայության դեպքում երթուղու՝ ճյուղավորում մեկնելու պատրաստ լինելը: Ելքի լուսաֆորի լուսնասպիտակ լույսի և հանգած կարմիր լույսի դեպքում (նկ. 2.11) գնացքները մեկնում են ճյուղավորում, երբ մեքենավարը ստանում է մական կամ ուղեգիր: ԵՐԹՈՒՂԱՅԻՆ ԼՈՒՍԱՖՈՐՆԵՐ 2.12 Երթուղային լուսաֆորներով տրվում են ազդանշաններ. Մեկ կանաչ լույս՝ «Թույլատրվում է երթևեկությունը սահմանված արագությամբ. հաջորդ լուսաֆորը (երթուղային կամ ելքի) բաց է»: Մեկ դեղին լույս՝ «Թույլատրվում է երթևեկությունը՝ պատրաստ լինելով կանգնելու. հաջորդ լուսաֆորը (երթուղային կամ ելքի) փակ է»: Մեկ կարմիր լույս՝ «Կանգնի'ր, արգելվում է անցնել ազդանշանը»: Կախված երթուղային լուսաֆորների տեղադրման վայրից անհրաժեշտ դեպքերում նրանցով տրվում են հետևյալ ազդանշանները. Մեկ դեղին թարթող լույս՝ «Թույլատրվում է լուսաֆորի անցումը սահմանված արագությամբ. հաջորդ լուսաֆորը (երթուղային կամ ելքի) բաց է և պահանջում է նրա անցումը նվազեցված արագությամբ»: Երկու դեղին լույս, նրանցից վերինը թարթող՝ «Թույլատրվում է լուսաֆորի անցումը նվազեցված արագությամբ, գնացքն ընթանում է կողային ուղի. հաջորդ լուսաֆորը (երթուղային կամ ելքի) բաց է»: Երկու դեղին լույս՝ «Թույլատրվում է լուսաֆորի անցումը նվազեցված արագությամբ և պատրաստ կանգնելու կայարանում, գնացքն ընթանում է կողային ուղի. հաջորդ լուսաֆորը (երթուղային կամ ելքի) փակ է»: ՄԻՋԱՆՑԻԿ ԼՈՒՍԱՖՈՐՆԵՐ 2.13 Ավտոուղեփակումով սարքավորված տեղամասերի միջանցիկ լուսաֆորներով տրվում են ազդանշաններ. Մեկ դեղին լույս՝ «Թույլատրվում է երթևեկությունը՝ պատրաստ լինելով կանգնելու, հաջորդ լուսաֆորը փակ է» (նկ. 2.13): Մեկ կարմիր լույս՝ «Կանգնի'ր, արգելվում է անցնել ազդանշանը» (նկ. 2.14): 2.14 Քառանշան ազդանշանման ավտոուղեփակումով սարքավորված տեղամասերում ելքի և գլխավոր ուղու միջանցիկ, մուտքի, երթուղային լուսաֆորներով տրվում են ազդանշաններ. Մեկ կանաչ լույս՝ Առջևում ազատ են երեք և ավելի բլոկ-տեղամասեր Մեկ դեղին և մեկ կանաչ լույսեր՝ Առջևում ազատ են երկու բլոկ-տեղամասեր (նկ. 2.15): Մեկ դեղին լույս՝ Առջևում ազատ է մեկ բլոկ-տեղամաս: Մեկ կարմիր լույս՝ «Կանգնի'ր, արգելվում է անցնել ազդանշանը»: 2.15 Եռանշան կամ քառանշան ազդանշանման ավտոուղեփակումով սարքավորված տեղամասերում մուտքի լուսաֆորի առջև տեղադրված լուսաֆորների վրա (նախամուտքայիններ) կիրառվում են հետևյալ ազդանշանները. Մեկ թարթող դեղին լույս՝ «Թույլատրվում է երթևեկությունը սահմանված արագությամբ. մուտքի լուսաֆորը բաց է և պահանջում է նրա անցումը նվազեցված Մեկ թարթող կանաչ լույս՝ «Թույլատրվում է երթևեկությունը սահմանված արագությամբ, մուտքի լուսաֆորը բաց է և պահանջում է նրա անցումը ոչ ավելի, քան 80 կմ/ժ կամ տվյալ կայարանի համար սահմանված արագությամբ. գնացքն ընդունվում է կայարանի կողային ուղի» (նկ. 2.16 բ): 2.16 Կիսաավտոմատ ուղեփակումով սարքավորված տեղամասերի միջանցիկ լուսաֆորներով տրվում են հետևյալ ազդանշանները. Մեկ կանաչ լույս՝ «Թույլատրվում է երթևեկությունը սահմանված արագությամբ. վազուրդը մինչև հաջորդ կայարան ազատ է» (նկ. 2.17): Մեկ կարմիր լույս՝ «Կանգնի'ր, արգելվում է անցնել ազդանշանը. (նկ. 2.18): 2.17 Եռանշան ազդանշանման ավտոուղեփակումով սարքավորված տեղամասերում պահանջվող արգելակման ուղուց պակաս երկարություն ունեցող բլոկ-տեղամասը սահմանափակող լուսաֆորի վրա (մուտքի, երթուղային, ելքի և միջանցիկ) տեղադրվում է սպիտակ գույնի լուսացուցանշան՝ երկու սլաքի պատկերով (նկ. 2.13), իսկ նրա նախազգուշացնող լուսաֆորի վրա՝ նույնատիպ ցուցանշան մեկ սլաքի պատկերով (նկ. 2.12): ՊԱՅՄԱՆԱԿԱՆ-ԹՈՒՅԼԱՏՐՈՂ ԱԶԴԱՆՇԱՆ ՊԱՇՏՊԱՆՈՂ ԵՎ ԱՐԳԵԼԱՓԱԿՈՂ ԼՈՒՍԱՖՈՐՆԵՐ 2.19 Պաշտպանող լուսաֆորներով տրվում են հետևյալ ազդանշանները. Մեկ կանաչ լույս՝ «Թույլատրվում է երթևեկությունը սահմանված արագությամբ» Մեկ կարմիր լույս՝ «Կանգնի'ր, արգելվում է անցնել ազդանշանը»: Մեկ կարմիր լույս՝ «Կանգնի'ր, արգելվում է անցնել ազդանշանը» (նկ. 2.20 ա): Արգելափակող լուսաֆորների առջևի նախազգուշացնող լուսաֆորներով տրվում է. Մեկ դեղին լույս՝ «Թույլատրվում է երթևեկությունը՝ պատրաստ լինելով կանգնելու. հիմնական արգելափակող լուսաֆորը փակ է» (նկ. 2.20 բ): Արգելափակող և նախազգուշացնող լուսաֆորների ազդանշանային լույսերը նորմալ վիճակում չեն վառվում (նկ. 2.20 գ) և այդ լուսաֆորներն ազդանշանային նշանակություն չունեն: ՆԱԽԱԶԳՈՒՇԱՑՆՈՂ ԵՎ ԿՐԿՆՈՂ ԼՈՒՍԱՖՈՐՆԵՐ 2.21 Ավտոուղեփակումով չսարքավորված տեղամասերի մուտքի, միջանցիկ և պաշտպանող լուսաֆորների առջև տեղադրված նախազգուշացնող լուսաֆորներով տրվում են հետևյալ ազդանշանները. Մեկ կանաչ լույս՝ «Թույլատրվում է երթևեկությունը սահմանված արագությամբ. հիմնական լուսաֆորը բաց է» (նկ. 2.21): Մեկ դեղին լույս՝ «Թույլատրվում է երթևեկությունը՝ պատրաստ լինելով կանգնելու. հիմնական լուսաֆորը փակ է» (նկ. 2.22): Մեկ դեղին թարթող լույս՝ «Թույլատրվում է երթևեկությունը սահմանված արագությամբ. մուտքի լուսաֆորը բաց է և պահանջում է նրա անցումը նվազեցված արագությամբ, գնացքն ընդունվում է կայարանի կողային ուղի»: 2.22 Մեկ կանաչ լույսով՝ կրկնող լուսաֆորը ցույց է տալիս, որ ելքի կամ երթուղային լուսաֆորը բաց է (նկ. 2.23): Կրկնող լուսաֆորների ազդանշանային լույսերը նորմալ վիճակում չեն վառվում, այդ դրությամբ լուսաֆորներն ազդանշանային նշանակություն չունեն: ԳՆԱՑՔԱՔԱՐՇԱՅԻՆ ԼՈՒՍԱՖՈՐՆԵՐ 2.23 Ավտոուղեփակումով և գնացքաքարշային ազդանշանումով սարքավորված տեղամասերում գնացքաքարշային լուսաֆորներով տրվում են. Կանաչ լույս՝ «Թույլատրվում է երթևեկությունը: Գծային լուսաֆորի վրա, որին մոտենում է գնացքը, վառվում է կանաչ լույս» (նկ. 2.24 ա): Դեղին լույս՝ «Թույլատրվում է երթևեկությունը: Գծային լուսաֆորի վրա, որին մոտենում է գնացքը, վառվում է մեկ կամ երկու դեղին լույս» (նկ. 2.24 բ): Դեղին լույս կարմիրով՝ «Թույլատրվում է երթևեկությունը՝ պատրաստ լինելով կանգնելու: Գծային լուսաֆորի վրա, որին մոտենում է գնացքը, վառվում է կարմիր լույս» (նկ. 2.24 գ): Կարմիր լույսով գծային լուսաֆորն անցնելու դեպքում, գնացքաքարշային լուսաֆորի վրա վառվում է կարմիր լույս (նկ. 2.24 դ): Սպիտակ լույս՝ (նկ. 2.24 ե) ցույց է տալիս, որ գնացքաքարշային սարքերը միացված են, բայց գծային լուսաֆորների ցուցմունքները գնացքաքարշային լուսաֆորի վրա չեն փոխանցվում և մեքենավարը պետք է ղեկավարվի միայն գծային լուսաֆորների ցուցմունքներով: Գնացքաքարշային լուսաֆորը ազդանշանում է նաև. Կանաչ լույս՝ գնացքի մոտեցման մասին մեկ դեղին թարթող լույսով, մեկ կանաչ թարթող լույսով կամ մեկ դեղին և մեկ կանաչ լույսերով գծային լուսաֆորին: 2.24 Տեղամասերում, որտեղ գնացքների երթևեկության համար ավտոմատ գնացքաքարշային ազդանշանումը կիրառվում է որպես ազդանշանման և կապի ինքնուրույն միջոց, գնացքաքարշային լուսաֆորներով տրվում են ազդանշաններ. Կանաչ լույս՝ «Թույլատրվում է երթևեկությունը սահմանված արագությամբ, առջևում ազատ են երկու և ավելի բլոկ-տեղամասեր»: Դեղին լույս՝ «Թույլատրվում է երթևեկությունը նվազեցված արագությամբ, առջևում ազատ է մեկ բլոկ-տեղամաս»: Դեղին լույս կարմիրով՝ «Թույլատրվում է երթևեկությունը՝ պատրաստ լինելով կանգնելու բլոկ-տեղամասում, հաջորդ բլոկ-տեղամասը զբաղված է» Գնացքի մուտք գործելու դեպքում զբաղված բլոկ-տեղամաս գնացքաքարշային լուսաֆորի վրա վառվում է կարմիր լույս: Սպիտակ լույս՝ ցույց է տալիս, որ գնացքաքարշային սարքերը միացված են, բայց ազդանշանները գծից գնացքաքարշ չեն փոխանցվում: ՉԳՈՐԾՈՂ ԼՈՒՍԱՖՈՐՆԵՐԻ ՆՇՈՒՄԸ 2.25 Չգործող լուսաֆորները պետք է լինեն հանգած և խաչված երկու շերտաձողիկով (նկ. 2.25): Չգործող լուսաֆորների լույսերի ժամանակավոր միացման կարգը, նրանց ստուգման համար, որոշվում է երկաթուղու դեպարտամենտի կողմից: Գ Լ ՈՒ Խ 3 ՍԱՀՄԱՆԱՓԱԿՄԱՆ ԱԶԴԱՆՇԱՆՆԵՐ ԱՐԱԳՈՒԹՅԱՆ ՆՎԱԶԵՑՄԱՆ ՄՇՏԱԿԱՆ ՍԿԱՎԱՌԱԿՆԵՐ Այն վայրերը, որոնք պահանջվում է մշտապես անցնել նվազեցված արագությամբ, վտանգավոր վայրի սահմաններից 50 մ հեռավորության վրա երկու կողմերից սահմանափակվում են «Վտանգավոր վայրի սկիզբ» և «Վտանգավոր վայրի վերջ» ազդանշանային նշաններով: Այդ ազդանշանային նշաններից A հեռավորության վրա, նշված թիվ 3.1* աղյուսակի երրորդ Վազուրդների ցանկը նշված հեռավորությամբ, որի վրա պետք է համապատասխանաբար շարվեն պետարդներ և կախված ղեկավարող վայրէջքից և վազուրդում գնացքների երթևեկության համար առավելագույն թույլատրված արագությունից տեղադրվեն արագության նվազեցման ազդանշաններ, որոշվում է գծի ուղեմասի ղեկավարի կողմից: *3.1 աղյուսակում և սույն հրահանգի բոլոր սխեմաներում հեռավորությունները նշված են մետրերով Աղյուսակ 3.1
N/N Ղեկավարվելով վայրէջքի և գնացքների երթևեկության առավելագույն թույլատրված արագություն վազուրդում Հեռավորությունը «Վտանգավոր վայրի սկիզբ» և «Վտանգավոր վայրի վերջ» ազդանշանային նշաններից մինչև արագության նվազեցման ազդանշաններ Հեռավորությունը փոխադրելի կարմիր ազդանշանից և հանկարծակի ծագած արգելքի վայրից մինչև առաջին պետարդ 1 2 3 4 1. Վազուրդներում, որտեղ կան ղեկավարող վայրէջքներ պակաս, քան 0.006, 800 1000 2. Վազուրդներում, որտեղ կան 0.006 և առավել զառիթափ ղեկավարող վայրէջքներ, 1000 1200 3. Վազուրդներում, որտեղ կան ղեկավարող վայրէջքներ առավել զառիթափ, քան 0.010 Որոշվում է գծի ուղեմասի ղեկավարի կողմից ՓՈԽԱԴՐԵԼԻ ԱԶԴԱՆՇԱՆՆԵՐ 3.2 Փոխադրելի ազդանշաններին են պատկանում. ● Երկու կողմը կարմիր կամ մի կողմը կարմիր, իսկ մյուսը սպիտակ գույների ուղղանկյուն վահանակները. ● Դեղին գույնի (հակառակ կողմը կանաչ գույն) քառակուսի վահանակները. ● Ձողերի վրա կարմիր լույսով լապտերները. ● Ձողերի վրա կարմիր դրոշակները: 3.3 Փոխադրելի ազդանշաններով ներկայացվում են հետևյալ պահանջները. Կարմիր գույնի ուղղանկյուն վահանակ (կամ ձողի վրա կարմիր դրոշակ) ցերեկը և Ձողի վրա լապտերի կարմիր լույս գիշերը՝ «Կանգնի'ր, արգելվում է անցնել ազդանշանը» (նկ. 3.3 ա): Վազուրդում՝ «Թույլատրվում է երթևեկությունը նվազեցված արագությամբ, առջևում վտանգավոր վայր է, պահանջվում է կանգառ կամ անցում նվազեցված արագությամբ»: Կայարանի գլխավոր ուղու վրա՝ «Թույլատրվում է երթևեկությունը նվազեցված արագությամբ, առջևում վտանգավոր վայր է, պահանջվում է անցնել նվազեցված արագությամբ»: Մնացած կայարանային ուղիների վրա՝ «Թույլատրվում է ազդանշանի անցումն արագությամբ, նշված նախազգուշացման մեջ, իսկ նրա բացակայության դեպքում՝ ոչ ավելի, քան 25 կմ/ժ»: Քառակուսի վահանակի հակառակ կողմը (կանաչ գույնի) ցերեկը և գիշերը (նկ. 3.3 գ) վազուրդում և կայարանի գլխավոր ուղու վրա ցույց է տալիս, որ վտանգավոր վայրը գնացքի ամբողջ կազմով անցնելուց հետո, մեքենավարը իրավունք ունի բարձրացնելու արագությունը մինչև սահմանված չափը: ԱՇԽԱՏԱՆՔՆԵՐԻ ԿԱՏԱՐՄԱՆ ՎԱՅՐԵՐԻ ԵՎ ԳՆԱՑՔՆԵՐԻ ԵՐԹԵՎԵԿՈՒԹՅԱՆԸ ԽՈՉԸՆԴՈՏՈՂ ՎԱՅՐԵՐԻ ՍԱՀՄԱՆԱՓԱԿՈՒՄԸ ՎԱԶՈՒՐԴՆԵՐՈՒՄ 3.4 Վազուրդներում գնացքների երթևեկության համար յուրաքանչյուր խոչընդոտ, անկախ նրանից սպասվում է գնացք, թե ոչ՝ պետք է սահմանափակված լինի կանգառի ազդանշաններով: Վազուրդներում աշխատանքի կատարման վայրերը, որոնք պահանջում են գնացքների կանգնելը, սահմանափակվում են այնպես, ինչպես և խոչընդոտները: Վազուրդներում խոչընդոտները երկու կողմերից սահմանափակվում են փոխադրելի կարմիր ազդանշաններով, որոնք տեղադրվում են սահմանափակվող տեղամասի սահմաններից 50 մ հեռավորության վրա: Այդ ազդանշաններից B հեռավորության վրա, նշված թիվ 3.1 աղյուսակի 4-րդ սյունակում, կախված ղեկավարող վայրէջքից և վազուրդներում գնացքների երթևեկության թույլատրված առավելագույն արագությունից շարվում են երեքական պետարդներ և առաջինից, աշխատանքի վայրին մոտակա պետարդից, աշխատանքի վայրի ուղղությամբ 200 մ հեռավորության վրա տեղադրվում են արագության նվազեցման փոխադրելի ազդանշաններ: Խոչընդոտների և աշխատանքների կատարման վայրի սահմանափակման կարգը միուղի տեղամասերի համար ցույց է տրված թիվ 3.4 ա նկարում, երկուղի տեղամասի ուղիներից որևէ մեկի համար՝ նկ. 3.4 բ, երկուղի տեղամասի երկու ուղիների համար՝ նկ. 3.4 գ: Արագության նվազեցման փոխադրելի ազդանշանները և պետարդները պետք է գտնվեն ազդանշանորդների հսկողության տակ: Նրանք կանգնում են ձեռքի կարմիր ազդանշանով աշխատանքի վայրի ուղղությամբ, առաջին պետարդից 20մ հեռավորության վրա: Փոխադրելի կարմիր ազդանշանները պետք է գտնվեն աշխատանքների ղեկավարի հսկողության տակ: Լայնածավալ ճակատով (ավելի քան 200մ) աշխատանքների կատարման դեպքում աշխատանքի վայրերը սահմանափակվում են այն կարգով, որը նշված է թիվ 3.4 դ նկարում: Նկ. 3.4 Փոխադրելի կարմիր ազդանշանները, որոնք տեղադրվում են մեկուսացում պահանջող տեղամասի սահմաններից 50 մ հեռավորության վրա, պետք է գտնվեն նրանց մոտ կանգնած ձեռքի կարմիր ազդանշաններով ազդանշանորդների հսկողության տակ: Եթե վազուրդում աշխատանքների կատարման վայրերը և խոչընդոտներով վայրերը գտնվում են կայարանի մոտակայքում և այդ վայրերն ընդունված կարգով սահմանափակել հնարավոր չէ, ապա վազուրդի կողմից այն սահմանափակվում է այնպես, ինչպես նշված է վերը, իսկ կայարանի կողմից փոխադրելի կարմիր ազդանշանը տեղադրվում է մուտքի ազդանշանի առջև, գծերի առանցքի վրա (կամ «Կայարանի սահման» ազդանշանային նշանի), միաժամանակ երեք պետարդների շարումով, որը հսկում է ազդանշանորդը (նկ. 3.5): Գնացքի մոտենալիս՝ փոխադրելի դեղին ազդանշանին մեքենավարը պարտավոր է տալ գնացքաքարշի (մոտորավագոնային գնացքի) մեկ երկար սուլոց, իսկ ձեռքի կարմիր ազդանշանով ազդանշանորդին մոտենալիս՝ կանգառի ազդանշան և ձեռնարկի միջոցներ գնացքն անհապաղ կանգնեցնելու համար, որպեսզի այն կանգնի մինչ փոխադրելի կարմիր ազդանշանը: Ազդանշանորդները, երկաթուղային մյուս աշխատողներից տարբերվելու համար, պետք է կրեն վերին մասը դեղին գույնի գլխարկ: 3.5 Հանկարծակի խոչընդոտ ծագելու և տվյալ վայրում անհրաժեշտ փոխադրելի ազդանշանների բացակայության դեպքում պետք է անհապաղ խոչընդոտի տեղում տեղադրել կանգառի ազդանշան (նկ. 3.6) ցերեկը՝ կարմիր դրոշակ, գիշերը՝ կարմիր լույսով լապտեր և երկու կողմից B հեռավորության վրա, նշված Աղյուսակ 3.1 սյունակ 4, կախված ղեկավարող վայրէջքից և վազուրդում գնացքների երթևեկության առավելագույն թույլատրելի արագությունից շարել երեքական պետարդներ: Պետարդները պետք է հսկվեն երկաթուղու աշխատողների կողմից, որոնք պարտավոր են կանգնել ձեռքի կարմիր ազդանշաններով, խոչընդոտի վայրի ուղղությամբ առաջին պետարդից 20 մ հեռավորության վրա: Ազդանշաններն առաջին հերթին տեղադրվում են սպասվող գնացքի կողմից: Միուղի տեղամասերում, եթե հայտնի չէ, որ կողմից է սպասվում գնացքը, ազդանշաններն առաջին հերթին տեղադրվում են սահմանափակված վայրի վայրէջքի կողմից, իսկ հարթակի վրա՝ կորի կամ փորվածքի կողմից: Հանկարծակի ծագած խոչընդոտները սահմանափակելու համար աշխատողների գործունեության կարգը որոշվում է ՀՀ երկաթուղու դեպարտամենտի հրահանգով: 3.6 Երկուղի տեղամասերում միևնույն հարթության վրա գտնվող երկաթուղիների միահյուսման վայրերը, ինչպես նաև վայրերը, որոնք գնացքներն անցնում են ուղեկցողով (պակաս քան 15 կմ/ժ արագությամբ) սահմանափակվում են այնպես, ինչպես երթևեկության համար խոչընդոտող տեղերը, բայց առանց պետարդներ շարելու: Այդ ազդանշանների տեղադրման մասին գնացքներին տրվում է գրավոր նախազգուշացում: Եթե ուղեկցողով գնացքների բաց թողնումը հաստատվում է երկար ժամանակով, ապա թույլատրվում է փոխադրելի կարմիր ազդանշանները փոխարինել փակ դրությամբ թողնված պաշտպանող լուսաֆորներով, միաժամանակ նրանց առջև տեղադրելով նախազգուշացնող լուսաֆորներ (նկ. 3.7): Այդ պաշտպանող լուսաֆորների տեղադրման մասին հայտարարվում է դեպարտամենտի պետի հրամանով, և այդ դեպքում գնացքներին նախազգուշացում չի տրվում: Սահմանափակված վայրի երկու կողմերից գծային կետերի բացման դեպքում գնացքների երթևեկությունը նրանց միջև իրականացվում է կապի և ազդանշանման ընդունված միջոցներից մեկի միջոցով, առանց ուղեկցողի: Այդ ժամանակ առանձին դեպքերում սահմանափակված վայրով սահմանված արագությամբ գնացքի ընթացքի դիտարկման համար կարող է և նշանակվել ուղեկցող: 3.8 Արագության նվազեցման փոխադրելի ազդանշանները, «Վտանգավոր վայրի սկիզբ» և «Վտանգավոր վայրի վերջ» ազդանշանային նշանները տեղադրվում են նկ. 3.2-ում ցույց տրված կարգով: Եթե արագության նվազեցում պահանջող վայրը գտնվում է կայարանի մոտակայքում և ընդունված կարգով նրա սահմանափակումը հնարավոր չէ, ապա վազուրդի կողմից այն սահմանափակվում է այնպես, ինչպես նշված է վերը, իսկ կայարանի կողմից՝ թիվ 3.8 նկարում ցույց տրված կարգով: «Վտանգավոր վայրի վերջ» ազդանշանային նշանը տեղադրվում է «Վտանգավոր վայրի սկիզբ» նշանի հակառակ կողմի վրա: Արագության նվազեցման փոխադրելի ազդանշանները, «Վտանգավոր վայրի սկիզբ» և «Վտանգավոր վայրի վերջ» ազդանշանային նշանները կայարանային ուղիների վրա և բազմաուղի վազուրդներում կարող են օգտագործվել կարճեցված ձողերով: Աշխատանքների կատարման դեպքում, երբ աշխատանքի վայրը սահմանափակված է կանգառի (նկ. 3.4 բ և 3.5) և արագության նվազեցման ազդանշաններով, կից ուղիների մոտ «C» փոխադրելի ազդանշանային նշանները տեղադրվում են նույն կարգով: Վազուրդներում, որտեղ գնացքներն ընթանում են ավելի, քան 120 կմ/ժ արագությամբ, «C» փոխադրելի ազդանշանային նշանները տեղադրվում են աշխատանքների կատարման վայրի սահմաններից 800-1500 մ հեռավորության վրա: ԱՇԽԱՏԱՆՔՆԵՐԻ ԿԱՏԱՐՄԱՆ ՎԱՅՐԵՐԻ ԵՎ ԳՆԱՑՔՆԵՐԻ ԵՐԹԵՎԵԿՈՒԹՅԱՆԸ ԽՈՉԸՆԴՈՏՈՂ ՎԱՅՐԵՐԻ ՍԱՀՄԱՆԱՓԱԿՈՒՄԸ ԿԱՅԱՐԱՆՆԵՐՈՒՄ 3.10 Կայարանային ուղիներով և սլաքային փոխադրիչներով երթևեկելուն խանգարող յուրաքանչյուր խոչընդոտ պետք է սահմանափակված լինի կանգառի ազդանշաններով, անկախ նրանից սպասվում է գնացք (մանևրային շարժակազմ), թե ոչ: Եթե այդ սլաքներից որևէ մեկը սուր գծնակով ուղղված է աշխատանքների կատարման կամ երթևեկությանը խոչընդոտող վայրի ուղղությամբ և չի տալիս հնարավորություն ուղին սահմանափակելու համար, ապա այդպիսի վայրը երկու կողմերից սահմանափակվում է կարմիր ազդանշաններով, որոնք տեղադրվում են աշխատանքների կատարման կամ խոչընդոտող վայրի սահմաններից 50 մ հեռավորության վրա (նկ. 3.11 բ): Այն դեպքում, երբ սլաքների սուր գծնակները գտնվում են աշխատանքների կատարման կամ խոչընդոտող վայրից 50 մետրից պակաս հեռավորության վրա, ապա այդպիսի յուրաքանչյուր սլաքի սուր գծնակների միջև տեղադրվում է փոխադրելի կարմիր ազդանշան ( նկ. 3.11 գ): Երթևեկությանը խոչընդոտող կամ սլաքի վրա աշխատանքներ կատարելու վայրերը փոխադրելի կարմիր ազդանշաններով սահմանափակելու դեպքում ազդանշանները տեղադրվում են. ուղեփոխիչի կողմից՝ դուրս եկող յուրաքանչյուր ուղու առանցքի վրա սահմանային սյունիկի դիմաց, հակառակ կողմից՝ սլաքի սուր գծնակից 50 մ հեռավորության վրա (նկ. 3.12 ա): Եթե սահմանափակման ենթակա սլաքային փոխադրիչի մոտակայքում գտնվում է ուրիշ սլաք, որը կարելի է դնել այնպիսի դրության, որ շարժակազմը չի կարող հայտնվել խոչընդոտ ունեցող սլաքային փոխադրիչի վրա, ապա սլաքը այդ դրությամբ կողպվում կամ կարվում է: Այդ դեպքում սահմանափակված սլաքի կողմից փոխադրելի կարմիր ազդանշան չի դրվում (նկ. 3.12.բ): Եթե աշխատանքների կատարման կամ խոչընդոտող վայրը գտնվում է մուտքի սլաքի վրա, ապա վազուրդի կողմից այն սահմանափակվում է մուտքի փակ ազդանշանով, իսկ կայարանի կողմից՝ փոխադրելի կարմիր ազդանշաններով, որոնք տեղադրվում են դուրս եկող յուրաքանչյուր ուղու առանցքի վրա սահմանային սյունիկի դիմաց (նկ. 3.12 գ): Երբ աշխատանքների կատարման կամ խոչընդոտող վայրը գտնվում է մուտքի սլաքի և մուտքի ազդանշանի միջև, ապա վազուրդի կողմից այն սահմանափակվում է մուտքի փակ ազդանշանով, իսկ կայարանի կողմից փոխադրելի կարմիր ազդանշանով, որը տեղադրվում է մուտքի սլաքի սուր գծնակների միջև (նկ. 3.12 դ): Սլաքային փոխադրիչի վրա խոչընդոտ հայտնաբերած սլաքային կետի հերթապահը նրա վրա անհապաղ պետք է տեղադրի փոխադրելի կարմիր ազդանշան (մինչև վերանորոգման աշխատանքների սկիզբը) և այդ մասին զեկուցի կայարանի հերթապահին: 3.11 Կայարանի գլխավոր ուղու վրա գտնվող արագության նվազեցում պահանջող վայրը սահմանափակվում է արագության նվազեցման ազդանշաններով և «Վտանգավոր վայրի սկիզբ», «Վտանգավոր վայրի վերջ» ազդանշանային նշաններով, ինչպես ցույց է տրված թիվ 3.13 և 3.14 նկարներում: Եթե արագության նվազեցում պահանջող վայրը գտնվում է կայարանային մյուս ուղիների վրա, ապա այն սահմանափակվում է միայն արագության նվազեցման փոխադրելի ազդանշաններով: Այդ ազդանշանների տեղադրման կարգը ցույց է տրված նկ. 3.15-ում: ՇԱՐԺԱԿԱԶՄԻ ՍԱՀՄԱՆԱՓԱԿՈՒՄԸ ԿԱՅԱՐԱՆԱՅԻՆ ՈՒՂԻՆԵՐԻ ՎՐԱ 3.12 Կայարանային ուղիների վրա վերանորոգվող վագոնները և առանձին ուղիների վրա կանգնած բեռնաթափվող վագոնները սահմանափակվում են փոխադրելի կարմիր ազդանշաններով, որոնք տեղադրվում են ուղու առանցքի վրա ոչ պակաս, քան 50 մ հեռավորության վրա (միջանցիկ ուղիների վրա սահմանափակվում են երկու կողմից, իսկ փակուղային ուղիների վրա՝ սլաքային փոխադրիչի կողմից): Եթե վերջին վագոնը գտնվում է սահմանային սյունիկից 50 մետրից պակաս հեռավորության վրա, ապա փոխադրելի կարմիր ազդանշանն այդ կողմից տեղադրվում է ուղու առանցքի վրա, սահմանային սյունիկի դիմաց: Տեխնիկական սպասարկման դեպքում շարժակազմի կամ վագոնների առանձին խմբերի սահմանափակման կարգը ելնելով տեղային պայմաններից, սահմանվում է Երկաթուղու դեպարտամենտի կողմից: Վագոնների տեխնիկական սպասարկման և վերանորոգման դեպքում սահմանափակումը կարող է կատարվել լուսաֆորներով, որի կարգը սահմանվում է Երկաթուղու դեպարտամենտի կողմից: ՀԱՐԿԱԴՐԱԿԱՆ ԿԱՆԳԱՌԻ ԴԵՊՔՈՒՄ ԳՆԱՑՔԻ ՍԱՀՄԱՆԱՓԱԿՈՒՄԸ ՎԱԶՈՒՐԴՈՒՄ 3.13 Վազուրդում հարկադրական կանգառի դեպքում ուղևորատար գնացքի սահմանափակումը կատարում է վերջին ուղևորատար վագոնի ուղեկցորդը մեքենավարի ցուցումով, երբ. պահանջվում է վերականգնողական կամ հրշեջ գնացք, ինչպես նաև օգնող գնացքաքարշ, եթե օգնությունը ցույց է տրվելու պոչամասից, գնացքը մեկնել է երկուղի վազուրդ ճիշտ ուղով կամ միուղի վազուրդ նրանից հետո մյուս գնացքի մեկնելու մասին ծանուցումով կապի և ազդանշանների բոլոր միջոցների գործունեության ընդհատման իրավիճակում: Վազուրդում մյուս գնացքների հարկադրական կանգառի դեպքում նրանք սահմանափակվում են միայն կապի և ազդանշանման բոլոր միջոցների ընդհատման իրավիճակում, երբ մեկնել են երկուղի վազուրդ ճիշտ ուղով կամ միուղի վազուրդ, նրանից հետո մյուս գնացքի մեկնելու մասին ծանուցումով: Այդ դեպքում սահմանափակումը կատարում է մեքենավարի օգնականը, որը պետք է անմիջապես գնացքի կանգնելուց հետո անցնի գնացքի պոչամաս, ստուգի գնացքային ազդանշանի առկայությունը, ուշադիր հետևի վազուրդին և հետևից եկող գնացքի հայտնվելու դեպքում ձեռնարկի միջոցներ նրան կանգնեցնելու համար: Եթե կանգնած գնացքին օգնությունը ցույց է տրվում գլխամասի կողմից, ապա վերականգնողական գնացքի կամ օգնող գնացքաքարշի մոտենալիս առաջատար գնացքաքարշի մեքենավարը պետք է տա ընդհանուր տագնապի ազդանշան, իսկ ցերեկով վատ տեսանելիության դեպքում միացնի լուսարձակները: 3.14 Վազուրդում կանգնած ուղևորատար գնացքի պոչամասը սահմանափակող վագոնի ուղեկցորդը, վերադառնում է գնացքակազմ, միայն վերականգնողական (հրշեջ) գնացքի կամ օգնող գնացքաքարշի մոտենալուց և կանգնելուց, ինչպես նաև ուղևորատար գնացքի կանգառի վայրին մոտ եկած մեկ այլ աշխատողին սահմանափակումը փոխանցելուց հետո: Մեքենավարի օգնականը, որը կանգնած է կապի և ազդանշանման միջոցների գործունեության ընդհատման իրավիճակում վազուրդ մեկնած գնացքի պոչամասի մոտ, վերադառնում է գնացքաքարշ միայն հետևից եկող գնացքի մոտենալուց և կանգնելուց հետո կամ մեքենավարի կողմից գնացքաքարշի սուլոցով տրված ազդանշանից հետո, եթե սահմանափակման անհրաժեշտությունը վերացել է: 3.15 Ավտոուղեփակումով սարքավորված վազուրդում ուղևորատար գնացքի կանգնելու դեպքում, վերջին ուղևորատար վագոնի ուղեկցորդը պարտավոր է ստուգել գնացքային ազդանշանների տեսանելիությունը, ուշադիր հետևել վազուրդին և հետևից եկող գնացքի հայտնվելու դեպքում ձեռնարկել միջոցներ նրան կանգնեցնելու համար: Այդ դեպքում ուղևորատար գնացքի կանգառի ժամանակ սահմանափակումը կատարում է մեքենավարի օգնականը գլխամասի կողմից, իսկ պոչամասի կողմից՝ վերջին ուղևորատար վագոնի ուղեկցորդը: Սահմանափակումը կատարվում է գլխամասից և պոչամասից 1000 մ հեռավորության վրա պետարդներ շարելով, ինչպես ցույց է տրված թիվ 3.17 ա նկարում: Մնացած գնացքների կանգառի դեպքում սահմանափակումը կատարում է մեքենավարի օգնականը, կից ուղու վրա սպասվող գնացքի կողմից, խոչընդոտող վայրից 1000 մ հեռավորության վրա պետարդներ շարելով (նկ. 3.17 բ): Եթե գնացքի գլխամասը գտնվում է խոչընդոտող վայրից ավելի քան 1000 մ հեռավորության վրա, ապա կից ուղու վրա պետարդները շարվում են գնացքաքարշի դիմաց: Եթե գնացքավարը ստացել է հաղորդում այն մասին, որ կից ուղու ոչ ճիշտ ուղղությամբ մեկնել է գնացք, ապա նա պետք է ռադիոկապով կանչի մեքենավարի օգնականին, խոչընդոտող վայրի հակառակ կողմից նույն հեռավորության վրա պետարդներ շարելու համար: Պետարդներ շարելուց հետո մեքենավարի օգնականը և վագոնի ուղեկցորդը պետք է շարած վայրից հետ գնան դեպի գնացք 20 մ և ցույց տան կարմիր ազդանշան գնացքի հավանական մոտեցման ուղղությամբ: 3.17 Վազուրդում հարկադրական կանգառ ունեցող գնացքի գլխամասը և պոչամասը, ինչպես նաև բազմուղի և երկուղի վազուրդին կից ուղով գնացքների երթևեկությանը խոչընդոտող վայրը սահմանափակելու համար, առաջատար գնացքաքարշի մեքենավարի կարգադրությամբ կարող են ներգրավվել գնացքաքարշի բրիգադի աշխատողները, ուղևորատար վագոնների ուղեկցորդները, վագոնավարները, ինչպես նաև այլ ծառայությունների աշխատողները: Գ Լ ՈՒ Խ 4 ՁԵՌՔԻ ԱԶԴԱՆՇԱՆՆԵՐ ա) Կարմիր բացված դրոշակ ցերեկը և ձեռքի լապտերի կարմիր լույս գիշերը՝ «Կանգնի'ր» (նկ. 4.1): Ցերեկը կարմիր դրոշակի, իսկ գիշերը կարմիր լույսով ձեռքի լապտերի բացակայության դեպքում կանգառի ազդանշաններ տրվում են. Ցերեկը՝ դեղին դրոշակի, ձեռքի կամ որևէ առարկայի շրջանաձև շարժումով Գիշերը՝ ցանկացած գույնի լույսով լապտերի շրջանաձև շարժումով (նկ. 4.2): բ) Բացված դեղին դրոշակ ցերեկը և ձեռքի լապտերի դեղին լույս գիշերը՝ «Թույլատրվում է երթևեկությունը գծի ուղեմասի ղեկավարի կողմից սահմանված արագությամբ, որը նշված է նախազգուշացման մեջ, իսկ նրա բացակայության դեպքում՝ ոչ ավելի քան 25 կմ/ժ արագությամբ» (նկ. 4.3): Ձեռքի լապտերի դեղին լույսը կարող է Գիշերը բոլոր դեպքերում վազուրդում արագության նվազեցման ազդանշաններ պետք է տրվի միայն թափանցիկ-սպիտակ լույսով ձեռքի լապտերի դանդաղ շարժումով վերև և ներքև (նկ. 4.4): 4.2 Ավտոմատ արգելակների փորձարկման դեպքում տրվում են հետևյալ ազդանշանները. ա) Փորձնական արգելակում կատարելու պահանջ մեքենավարին (բանավոր նախազգուշացումից հետո). Ցերեկը՝ ուղղահայաց բարձրացված ձեռք Գիշերը՝ բարձրացված ձեռքի լապտերի թափանցիկ-սպիտակ լույս (նկ. 4.5): Մեքենավարը պատասխանում է գնացքաքարշի մեկ կարճ սուլոցով և անցնում արգելակման: բ) Արգելակները բաց թողնելու պահանջ մեքենավարին. Ցերեկը՝ ձեռքի հորիզոնական շարժումներով Գիշերը՝ թափանցիկ սպիտակ լույսով ձեռքի լապտերի հորիզոնական շարժումներով (նկ. 4.6): Մեքենավարը պատասխանում է գնացքաքարշի երկու կարճ սուլոցով և բաց է թողնում արգելակները: Ավտոմատ արգելակների փորձարկման դեպքում ցուցումներ հաղորդելու համար կարող են օգտագործվել ռադիոկապը կամ երկկողմանի բարձրախոսային կապի միջոցները: 4.3 Գնացքի մեկնման կամ կայարանով առանց կանգառի անցնելու դեպքում կայարանի հերթապահը, որին հանձնարարված է ուղեկցել գնացքին, ցույց է տալիս. Ցերեկը՝ ուղղահայաց բարձրացված ձգված ձեռքում ձեռքի սկավառակ, ներկված սպիտակ-սև դաջվածքով Գիշերը՝ բարձրացված ձեռքի լապտերի կանաչ լույս (նկ. 4.7): Այդ նշանակում է, որ գնացքը կարող է մեկնել կայարանից (ելքի ազդանշան չունեցող ուղուց վազուրդը զբաղեցնելու համապատասխան թույլտվության դեպքում) կամ ընթանալ սահմանված արագությամբ՝ առանց կանգառի: Գնացքի առանց կանգառի ընթանալու դեպքում նշված ազդանշանը ցույց է տրվում մինչև ժամանող գնացքի գնացքաքարշի անցնելը կայարանի հերթապահի մոտով: Ցերեկը՝ ձեռքի կարմիր սկավառակ կամ բացված կարմիր դրոշակ Գիշերը՝ ձեռքի լապտերի կարմիր լույս (նկ. 4.8): Կայարաններում, որտեղ կայարանի հերթապահի աշխատանքը տեղափոխված է սլաքային պոստ, կայարանի հերթապահը, գնացքի կողային ուղի ընթանալու կամ կայարանում նրա կանգնելու դեպքում (անկախ չվացուցակից), ցույց է տալիս. Ցերեկը՝ բացված դեղին դրոշակ Գիշերը՝ ձեռքի լապտերի դեղին լույս: 4.4 Ազդանշանորդները և սլաքային կետերի հերթապահները դիմավորում են գնացքներին. Կայարանում առանց կանգառի գլխավոր ուղով բաց թողնելու դեպքում. Ցերեկը՝ փաթաթված դեղին դրոշակով Գիշերը՝ ձեռքի լապտերի թափանցիկ սպիտակ լույսով (նկ. 4.9): Գնացքին կողային ուղի ընդունելու կամ կայարանում նրա կանգնելու դեպքում. Ցերեկը՝ բացված դեղին դրոշակով Գիշերը՝ ձեռքի լապտերի դեղին լույս (նկ. 4.10): 4.5 Ազդանշանորդները և սլաքային կետերի հերթապահները ճանապարհում են կայարանից մեկնող գնացքներին բոլոր դեպքերում. Ցերեկը՝ բացված դեղին դրոշակով Գիշերը՝ ձեռքի լապտերի սպիտակ թափանցիկ լույսով: 4.6 Գնացքաքարշի մեքենավարին գնացքից կանգառի ազդանշան տրվում է. Գիշերը՝ ձեռքի լապտերի կարմիր լույսով: 4.7 Կանգառից հետո կայարանից ուղևորատար գնացքի մեկնման դեպքում ուղևորատար վագոնների ուղեկցորդները պետք է ուղևորային կառամատույցի ուղղությամբ (մինչև կառամատույցի վերջը) ցույց տան. Ցերեկը՝ փաթաթված դեղին դրոշակ, Գիշերը՝ թափանցիկ սպիտակ լույսով ձեռքի լապտեր: Դա ցույց է տալիս գնացքի բարեհաջող ընթանալը: 4.8 Վազուրդներում երկաթուղիների և արհեստական կառույցների ուղեհսկիչները և գնացքների հերթապահներն ուղու ազատ լինելու դեպքում դիմավորում են գնացքները. Գիշերը՝ ձեռքի լապտերի թափանցիկ սպիտակ լույսով (նկ. 4.11): Իսկ արագության նվազեցման կամ կանգառի ազդանշաններով սահմանափակված վայրերում. Ցերեկը և գիշերը՝ ուղում տեղադրված ազդանշաններին համապատասխան ազդանշաններով: Գ Լ ՈՒ Խ 5 ԱԶԴԱՆՇԱՆԱՅԻՆ ՆՇԱՆՆԵՐ ԵՎ ՑՈՒՑԱՆՇԱՆՆԵՐ Ուղու համարը ցույց տալու համար, որից թույլատրվում է գնացքի երթևեկությունը, ելքի և երթուղային խմբակային լուսաֆորների վրա տեղադրվում են կանաչ գույնի երթուղային ցուցանշաններ (նկ. 5.1 բ): Այդ ցուցանշանները, ելքի կամ երթուղային լուսաֆորի վրա լուսնասպիտակ լույսի առկայության դեպքում, կարող են նաև օգտագործվել ցույց տալու այն ուղու համարը, որից թույլատրվել է մանևրային շարժակազմի երթևեկությունը: ՍԼԱՔԱՅԻՆ ՑՈՒՑԱՆՇԱՆՆԵՐ 5.2 Միայնակ սլաքի լուսավորվող սլաքային ցուցանշանների երկու կողմերը ցույց են տալիս. Ցերեկը՝ ցուցանշանի նեղ կողմով սպիտակ ուղղանկյուն Գիշերը՝ կաթնասպիտակ լույս (նկ. 5.2 ա): Ցերեկը՝ ցուցանշանի լայն կողմը Գիշերը՝ դեղին լույս (նկ. 5.2 բ): 5.3 Հատվող սլաքների դրությունը նշվում է երկու սովորական սլաքային ցուցանշաններով, որոնք ցույց են տալիս. ա) Սլաքները դրված են գլխավոր ուղու վրա. Երկու ցուցանշանների վրա ցերեկը՝ ցուցանշանների նեղ կողմերով սպիտակ ուղղանկյուններ, գիշերը՝ կաթնասպիտակ լույսեր (նկ. 5.3 ա): բ) Սլաքները դրված են գլխավոր ուղու հետ հատվելու ուղղությամբ. Երկու ցուցանշանների վրա ցերեկը՝ ցուցանշանների լայն կողմերը, գիշերը՝ դեղին լույսեր (նկ. 5.3 բ): գ) Սլաքները դրված են գլխավոր ուղուց դեպի կողային. Մոտ գտնվող ցուցանշանի վրա ցերեկը՝ ցուցանշանի լայն կողմը, գիշերը՝ դեղին լույս: Հեռվում գտնվող ցուցանշանի վրա ցերեկը՝ ցուցանշանի նեղ կողմի սպիտակ ուղղանկյունը, գիշերը՝ կաթնասպիտակ լույս (նկ. 5.3 գ): Մոտ գտնվող ցուցանշանի վրա ցերեկը՝ ցուցանշանի նեղ կողմի սպիտակ ուղղանկյունը, գիշերը՝ կաթնասպիտակ լույս: Հեռվում գտնվող ցուցանշանի վրա ցերեկը՝ ցուցանշանի լայն կողմը, գիշերը՝ դեղին լույս (նկ. 5.3 դ): 5.4 Չլուսավորվող սլաքային ցուցանշանները ցույց են տալիս. սլաքը դրված է գլխավոր ուղու վրա՝ սլաքը ցույց տվող ցուցանշանը կողով ուղղված է ուղու երկայնքով (նկ. 5.4 ա), սլաքը դրված է կողային ուղու վրա՝ սլաքը ցույց տվող ցուցանշանը ուղղված է կողային ուղու երկայնքով (նկ. 5.4 բ): ՈՒՂՈՒ ԱՐԳԵԼԱՓԱԿՄԱՆ ՑՈՒՑԱՆՇԱՆՆԵՐ «Ուղին արգելափակված է»՝ Ցերեկը՝ երևում է հորիզոնական սև շերտագծով սպիտակ շրջան Գիշերը՝ նույն սև շերտագծով կաթնասպիտակ լույս (նկ. 5.5): «Արգելափակումը ուղուց հանված է»՝ Ցերեկը՝ երևում է ուղղահայաց սև շերտագծով սպիտակ շրջան կամ ուղղանկյուն Գիշերը՝ նույն սև շերտագծով կաթնասպիտակ լույս (նկ. 5.6): Հենարանների վրա ուղու արգելափակման ցուցանշանները տեղադրվում են չորսուի աջ վերջնամասի վրա և ազդանշաններ են տալիս միայն գծի կողմը (նկ. 5.7): Այդ ցուցանշանները կարող են լինել լուսավորվող և չլուսավորվող, որը որոշվում է կայարանի տեխնիկակարգադրիչ ակտով: ՋՐԱԲԱՇԽԱՍՅԱՆ ՑՈՒՑԱՆՇԱՆՆԵՐ 5.6 Ջրաբաշխասյան ցուցանշանը գիշերը լապտերն է, իսկ ցերեկը՝ ջրաբաշխասյան պտտվող մասը Եթե ջրաբաշխասյան պտտվող մասը տեղադրված է ուղու երկայնքով, ապա գիշերային ժամին երկու կողմերում երևում է թափանցիկ սպիտակ լույս: ԱՌԱՆՑՔԱՏՈՒՓԵՐԻ (ԲՈՒՔՍԵՐԻ) ԳԵՐՏԱՔԱՑՄԱՆ ՑՈՒՑԱՆՇԱՆՆԵՐ Ազդանշանային ցուցանշանի վրա լուսավորվող շերտագծերի հայտնվելու դեպքում, որն ազդանշանում է գնացքակազմում գերտաքացած առանցքատուփերի առկայությունը, կայարանին մոտենալիս մեքենավարը պարտավոր է միջոցներ ձեռնարկել արագության սահուն իջեցման համար, որպեսզի մուտքի սլաքն անցնի ոչ ավելի, քան 20 կմ/ժ արագությամբ, իսկ հետո գնացքը կանգնեցնի ընդունման ուղու վրա, անկախ ելքի ազդանշանի ցուցմունքից: Նորմալ վիճակում ցուցանշանները չեն լուսավորվում և ազդանշանային նշանակություն չունեն: «ԻՋԵՑՆԵԼ ՀՈՍԱՆՔԱԸՆԴՈՒՆԻՉԸ» ՑՈՒՑԱՆՇԱՆՆԵՐ Ազդանշանային ցուցանշանի վրա թարթող լուսավորված թափանցիկսպիտակ գույնի շերտագծի հայտնվելու դեպքում մեքենավարը պարտավոր է անհապաղ միջոցներ ձեռնարկել սահմանափակված օդային բացվածքն իջեցված հոսանքաընդունիչներով անցնելու համար: Նորմալ վիճակում ցուցանշանների ազդանշանային շերտագծերը չեն վառվում, և այդ դրությամբ ցուցանշաններն ազդանշանային նշանակություն չունեն: ՄՇՏԱԿԱՆ ԱԶԴԱՆՇԱՆԱՅԻՆ ՆՇԱՆՆԵՐ «Բարձրացնել հոսանքաընդունիչը» անդրադարձիչներով մշտական ազդանշանային նշանը տեղադրվում է երթևեկության ուղղությամբ օդային բացվածքից հետո (նկ. 5.11 բ): «Իջեցնել հոսանքաընդունիչը» ազդանշանային ցուցանշանների և «Բարձրացնել հոսանքաընդունիչը», «Ուշադրությո'ւն. Հոսանքահատիչ է» մշտական 12 վագոնային էլեկտրագնացքների օգտագործման դեպքում հեռավորությունն օդային բացվածքից մինչև «Բարձրացնել հոսանքաընդունիչը» մշտական նշանը պետք է լինի ոչ պակաս քան 250 մ: Նշանները կարող են նշվել հենասյուներին ամրացված վահանակների կամ անմիջապես հենասյուների վրա (նկ. 5.13 բ): Բազմուղի տեղամասերում նշված նշանները թույլատրվում է տեղադրել հպակային ցանցի կոնստրուկցիաներին ուղու առանցքի վերևը: Բարձրացված հոսանքաընդունիչներով էլեկտրաշարժակազմի կանգառը այդ հենասյուների միջև արգելվում է: 5.11 Սահմանային սյունիկները ցույց են տալիս այն տեղը, որից այն կողմ ուղու սլաքային փոխադրիչի վրա կամ ուղիների խուլ հատման ուղղությամբ շարժակազմը կանգնեցնել չի կարելի (նկ. 5.14 ա, բ): Գլխավոր և ընդունման-մեկնման ուղիների մոտ սահմանային սյունիկները պետք է ունենան տարբերակիչ գունավորում (նկ. 5.14 բ): 5.12 «Կայարանի սահման» նշանով (նկ. 5.15) ցույց է 5.13 «Վտանգավոր վայրի սկիզբ» (նկ. 5.16 ա) և «Վտանգավոր վայրի վերջ» (նկ. 5.16 բ) անդրադարձիչներով մշտական ազդանշանային նշանները ցույց են տալիս այն տեղամասի սահմանները, որը պահանջվում է անցնել նվազեցված արագությամբ: «Վտանգավոր վայրի վերջ» ազդանշանային նշանը տեղադրվում է «Վտանգավոր վայրի սկիզբ» նշանի հակառակ կողմում: 5.14 Նախազգուշացնող ազդանշանային նշաններ. «Գնացքաքարշի կանգառ» (նկ. 5.18)՝ տեղադրվում է Հայկական երկաթուղու դեպարտամենտի կողմից նշանակված հանձնաժողովի որոշած վայրում: 5.15 Անդրադարձիչով նախազգուշացնող ազդանշանային նշանները տեղադրվում են էլեկտրիֆիկացված տեղամասերում. «Անջատել հոսանքը» (նկ. 5.19 ա)՝ չեզոք ներդիրի դիմաց; «Միացնել հոսանքն էլեկտրաքարշի վրա» (նկ. 5.19 բ) «Միացնել հոսանքն էլեկտրաքարշի վրա» (նկ. 5.19 գ)՝ չեզոք ներդիրից հետո: Էլեկտրաքարշերի համար այդ նշանների տեղադրման սխեման ցույց է տրված թիվ 5.20 ա նկարում, էլեկտրաքարշի և էլեկտրագնացքների համար՝ թիվ 5.20 բ նկարում: «Հպակային կախոցի վերջ» (նկ. 5.21) ազդանշանային նշանը 5.16 «Առաջին վագոնի կանգառ» (նկ. 5.22) նախազգուշացնող ազդանշանը տեղադրվում է ուղևորային կառամատույցների վրա, որտեղ օգտագործվում են մոտորավագոնային գնացքներ: ԺԱՄԱՆԱԿԱՎՈՐ ԱԶԴԱՆՇԱՆԱՅԻՆ ՆՇԱՆՆԵՐ 5.17 Այն տեղերում, որտեղ չի թույլատրվում էլեկտրաշարժակազմի անցումը բարձրացված հոսանքաընդունիչներով (հպակային ցանցի անսարքությունների, պլանային վերանորոգման և շինարարական աշխատանքների դեպքերում, երբ գնացքի ընթանալու ժամանակ անհրաժեշտ է իջեցնել հոսանքաընդունիչները), տեղադրվում են անդրադարձիչներով ժամանակավոր ազդանշանային նշաններ, որոնք ցույց են տալիս. «Պատրաստվել հոսանքաընդունիչի իջեցմանը» (նկ. 5.23 ա) «Բարձրացնել հոսանքաընդունիչը» (նկ. 5.23 գ) Այդ նշանների տեղադրման սխեման ցույց է տրված թիվ 5.24 նկարում: Եթե երկուղի տեղամասում տարվում են ուղու պլանային վերանորոգման և շինարարական աշխատանքներ միաժամանակ գնացքների բաց թողմամբ ուղիներից որևէ մեկով և չսարքավորված հպակային ցանցով հավաքույթների տեղադրմամբ, «Իջեցնել հոսանքաընդունիչը» ազդանշանային նշանը տեղադրվում է սահմանափակված տեղամասից 100 մետրից ոչ պակաս հեռավորության վրա: Մնացած Հանկարծակի, հպակային ցանցի անսարքության հայտնաբերման դեպքում, որը չի թույլատրում էլեկտրաշարժակազմի անցումը բարձրացված հոսանքաընդունիչներով, այն հայտնաբերած էլեկտրամատակարարման տեղամասի աշխատողը պարտավոր է հեռանալ 500 մ սպասվող գնացքի կողմը և մոտեցող գնացքի Ցերեկը՝ իր դիմաց աջ ձեռքի հորիզոնական կրկնվող շարժումներով, իսկ ձախ ձեռքը՝ ուղղահայաց բարձրացված դիրքով, Գիշերը՝ թափանցիկ սպիտակ լույսով լապտերի ուղղահայաց և հորիզոնական կրկնակի շարժումներով: Մեքենավարը պարտավոր է տալ ազդարարման ազդանշան, հոսանքազրկված էլեկտրական շղթայի դեպքում իջեցնել հոսանքաընդունիչները, անցնել վնասված վայրը, համոզվելով հպակային ցանցի սարքին լինելուն բարձրացնել 5.18 Այն տեղամասերում, որտեղ աշխատում են ձնեմաքրիչներ, տեղադրվում են ժամանակավոր ազդանշանային նշաններ. «Բարձրացնել դանակը, փակել թևերը»՝ արգելքի դիմաց (նկ. 5.26): Այն տեղամասերում, որտեղ աշխատում են արագընթաց ձնեմաքրիչներ, «Բարձրացնել դանակը, փակել թևերը» ազդանշանների դիմաց բացի այդ տեղադրվում են ժամանակավոր ազդանշանային նշաններ «Պատրաստվել դանակի բարձրացմանը և թևերի փակմանը» (նկ. 5.28): Այն տեղամասերում, որտեղ աշխատում են ձնեմաքրիչներ, նշանների տեղադրման սխեմաները ցույց են տրված թիվ 5.29 նկարում, իսկ որտեղ աշխատում են արագընթաց ձնեմաքրիչներ՝ 5.30 նկարում: 5.19 Այն բոլոր ազդանշանները, որոնք տեղադրվում են ազդանշանային նշանների վրա, պետք է պատրաստվեն թափանցիկ սպիտակ ապակուց: Անհրաժեշտ դեպքերում որոշ ազդանշանային նշաններ կարող են լինել լույսով կամ լուսավորվող, համաձայն Երկաթուղու դեպարտամենտի որոշման: Գ Լ ՈՒ Խ 6 ՄԱՆԵՎՐԱՅԻՆ ԱՇԽԱՏԱՆՔՆԵՐԻ ԴԵՊՔՈՒՄ ԿԻՐԱՌՎՈՂ ԱԶԴԱՆՇԱՆՆԵՐ Մեկ լուսնասպիտակ լույս՝ «Թույլատրվում է կատարել մանևրներ» (նկ. 6.1): Մեկ կապույտ լույս՝ «Արգելվում է կատարել մանևրներ» (նկ. 6.2): Մանևրներ կատարելու թույլտվություն կարող է տրվել ելքի և երթուղային լուսաֆորների մեկ լուսնասպիտակ լույսով հանգած կարմիր լույսի դեպքում: Մանևրների շրջանում ելքի և երթուղային լուսաֆորների կարմիր լույսի անցումը կարող է թույլատրվել խմբակային մանևրային լուսաֆորների լուսնասպիտակ լույսով: Երկկողմանի երթևեկության ավտոուղեփակումով սարքավորված միուղի տեղամասերի կայարաններում մանևրային լուսաֆորների վրա, որը տեղադրված է կայարանի կողմից մուտքի լուսաֆորի կայմի վրա, կարող է կիրառվել ազդանշան. մեկ լուսնասպիտակ լույս՝ «Թույլատրվում է մանևրող շարժակազմի ելքը կայարանի սահմաններից»: Անհրաժեշտ դեպքերում մանևրային լուսաֆորների վրա կիրառվում են կարմիր լույսեր: Տեսակավորման ձգող ուղիներում հպումով մանևրներ կատարելու դեպքում ազդանշաններ հաղորդելու համար թույլատրվում է կիրառել լուսաֆորային ազդանշանում, համաձայն Երկաթուղու դեպարտամենտի կողմից որոշված կարգի: 6.2 Բլրային լուսաֆորներով տրվում են ազդանշաններ (նկ. 6.3)՝ Մեկ կանաչ լույս՝ «Թույլատրվում է վագոնների բաց թողումը սահմանված արագությամբ»: Մեկ դեղին լույս՝ «Թույլատրվում է վագոնների բաց թողումը նվազեցված արագությամբ»: Մեկ դեղին և մեկ կանաչ լույսեր՝ «Թույլատրվում է վագոնների բաց թողումը միջանկյալ արագությամբ՝ սահմանվածի և նվազեցվածի միջև» Մեկ կարմիր լույս՝ «Կանգնի'ր» Սպիտակ գույնի լուսացուցանշանի վրա միաժամանակ կարմիր լույսի հետ վառված «H» տառը՝ «Բլրից բաց թողնել վագոնները ձգվող ուղու կամ ընդունման հավաքակայանի ուղիների վրա»: Տեսակավորման բլրից բլրային լուսաֆորների մեկ կանաչ լույսի, մեկ դեղին լույսի, մեկ դեղին և մեկ կանաչ լույսերի ազդանշանման դեպքում վագոնների բաց թողման արագությունները սահմանվում են Երկաթուղու դեպարտամենտի կողմից: Ընդունման հավաքակայանի ուղիների մեջտեղում գտնվող կրկնվող լուսաֆորների վրա կարմիր լույսի փոխարեն կարող է տեղադրվել կապույտ: Մինչև ընդունման հավաքակայանի բլրային լուսաֆորներ շարժակազմեր տալու թույլտվության համար, ինչպես նաև բլրային ուղիների ազդանշանման համար կարող են օգտագործվել մանևրային լուսաֆորներ: Թույլտվությունը տրվում է ռադիոկապի, երկկողմանի բարձրախոսային կապի համասարքի կամ ձեռքի ազդանշանային սարքի միջոցով: 6.4 Մանևրների դեպքում տրվում են ձեռքի և ձայնային ազդանշաններ. «Թույլատրվում է գնացքաքարշին ընթանալ կառավարումով առաջ». Ցերեկը՝ գլխավերևում բացված դեղին դրոշակի շարժումներով «Թույլատրվում է գնացքաքարշին ընթանալ կառավարումով հետ». Ցերեկը՝ ներքև ուղղված բացված դեղին դրոշակի շարժումներով Գիշերը՝ թափանցիկ սպիտակ լույսով ձեռքի լապտերի շարժումներով (նկ. 6.5) կամ երկու երկար ձայն: «Դանդաղ». Ցերեկը՝ բացված դեղին դրոշակի դանդաղ շարժումներով վերև և ներքև Գիշերը՝ թափանցիկ սպիտակ լույսով ձեռքի լապտերի շարժումներով (նկ. 6.6) կամ երկու կարճ ձայն: «Կանգնի'ր». Գիշերը՝ ցանկացած գույնի լույսով լապտերի շարժումներով (նկ. 6.7) կամ երեք կարճ ձայն: Ձայնային ազդանշանները մանևրների դեպքում տրվում են սուլիչով կամ եղջերափողով: 6.5 Մանևրների դեպքում ազդանշանները պետք է կրկնվեն գնացքաքարշի (մոտորավագոնային շարժակազմի) սուլոցներով, որը կհաստատի նրանց ընդունումը: Ազդանշանորդին կամ սլաքային կետի հերթապահին սլաքը այս կամ այն ուղի դարձնելու առաջադրանք կարող է տրվել տարբեր տևողության ձայներով (գնացքաքարշի կամ մանևրների ղեկավարի սուլոցներով) կամ մյուս միջոցներով, կախված կայարանի տեխնիկական զինվածությունից, համաձայն կայարանի տեխնիկակարգադրիչ ակտում նշված կարգի: Գ Լ ՈՒ Խ 7 ԳՆԱՑՔՆԵՐԻ, ԳՆԱՑՔԱՔԱՐՇԵՐԻ ԵՎ ՄՅՈՒՍ ՇԱՐԺԱԿԱՆ ՄԻԱՎՈՐՆԵՐԻ ՆՇՄԱՆ ՀԱՄԱՐ ՕԳՏԱԳՈՐԾՎՈՂ ԱԶԴԱՆՇԱՆՆԵՐ 7.1 Միուղի տեղամասերով և երկուղի տեղամասերի ճիշտ ուղով երթևեկության դեպքում ցերեկը գնացքի գլխամասը ազդանշաններով չի նշվում, իսկ գիշերը նշվում է բուֆերային չորսուի մոտ գտնվող լապտերների թափանցիկ սպիտակ երկու լույսով (նկ. 7.1 ա): Միուղի տեղամասերով և երկուղի տեղամասերի ճիշտ և ոչ ճիշտ ուղիներով երթևեկության դեպքում գնացքի գլխամասի կամ առանց վագոնների ընթացող գնացքաքարշի վրա գիշերը լրացուցիչ օգտագործվում է լուսարձակի ազդանշանային թափանցիկ սպիտակ լույս: Մոտորավագոնային գնացքի գլխամասը գիշերը կարող է նշվել նաև լուսարձակի մեկ թափանցիկ սպիտակ լույսով: 7.2 Միուղի տեղամասերով և երկուղի տեղամասերի ճիշտ ուղով վագոնների առաջ երթևեկելու դեպքում, բեռնատար գնացքի գլխամասը ցերեկն ազդանշաններով չի նշվում, իսկ գիշերը նշվում է բուֆերային չորսուի մոտ գտնվող լապտերի թափանցիկ սպիտակ լույսով (նկ. 7.2 ա): Ցերեկը՝ բացված կարմիր դրոշակով, որը ձախ կողմից ցույց է տալիս առջևի անցումային հարթակում գտնվող գնացքն ուղեկցողը Գիշերը՝ բուֆերային չորսուի մոտ գտնվող լապտերի թափանցիկ սպիտակ և ձեռքի լապտերի կարմիր լույսերով, որը ձախ կողմից ցույց է տալիս գնացքն ուղեկցողը (նկ. 7.2 բ): 7.3 Միուղի տեղամասերում, երկուղի տեղամասերի ճիշտ և ոչ ճիշտ ուղիներով երթևեկության դեպքում գնացքի պոչամասը նշվում է. Բեռնատար և բեռնամարդատար գնացքներինը. ցերեկը և գիշերը՝ աջ կողմից բուֆերային չորսուի մոտ գտնվող լուսանդրադարձիչներ ունեցող կարմիր սկավառակով (նկ. 7.3 ա): Մշտական ազդանշանային նշաններ չունեցող բեռնատար վագոնի կցման դեպքում, մարդատար և փոստաուղեբեռային գնացքի պոչամասը նշվում է. Ցերեկը՝ աջ կողմից բուֆերային չորսուի մոտ գտնվող բացված կարմիր դրոշակով կամ կարմիր սկավառակով Բեռնատար գնացքի պոչամասում գտնվող, ինչպես նաև առանց վագոնների ընթացող գնացքաքարշերը հետևից նշվում են ցերեկը և գիշերը՝ աջ կողմից բուֆերային չորսուի մոտ գտնվող լապտերի կարմիր լույսով (նկ. 7.4 բ): 7.4 Հրող գնացքաքարշը և չհանվող տեսակի դրեզինան ազդանշաններով նշվում են այնպես, ինչպես և առանց վագոնների գնացքաքարշերը: Երկուղի վազուրդի ոչ ճիշտ ուղով մեկնման կայարան վերադարձող հրող գնացքաքարշը և տնտեսական գնացքը նշվում են ոչ ճիշտ ուղով ընթանալու ազդանշաններով: 7.5 Վազուրդում բեռնատար գնացքի խզման դեպքում, այդ գնացքի կայարան մեկնող պոչամասը նշվում է. Ցերեկը՝ աջ կողմից բուֆերային չորսուի մոտ գտնվող բացված դեղին դրոշակով Գիշերը՝ լապտերի դեղին լույսով (նկ. 7.5): 7.6 Բազմուղի տեղամասերում գնացքներն ազդանշաններով նշվում են ինչպես միուղի և երկուղի տեղամասերում, կախված բազմուղի տեղամասի մեկ կամ մյուս ուղով երթևեկության ձևից: 7.7 Միուղի տեղամասերով և երկուղի տեղամասերի ճիշտ ուղով երթևեկության դեպքում ձնեմաքրիչը նշվում է. Եթե գլխամասում ձնեմաքրիչ է. Ցերեկը՝ կողային կեռերի վրա երկու բացված դեղին դրոշակով Գիշերը՝ կողային լապտերների երկու դեղին լույսով, իսկ գնացքաքարշի կողմը՝ երկու թափանցիկ սպիտակ հսկիչ լույսով (նկ. 7.5 բ): Եթե գլխամասում գնացքաքարշ է. Գիշերը՝ բուֆերային լապտերների երկու դեղին լույսով (նկ. 7.6 ա): Ձնեմաքրիչի պոչամասը նշվում է ինչպես միայնակ երթևեկող գնացքաքարշի պոչամասը: 7.8 Երկուղի տեղամասերի ոչ ճիշտ ուղով երթևեկության դեպքում գլխամասում գտնվող ձնեմաքրիչները նշվում են. Ցերեկը՝ կողային կեռերի վրա երկու դեղին բացված դրոշակ և ձախ կողմի դեղին դրոշակի տակ բացված կարմիր, Գիշերը՝ համապատասխանաբար լապտերների երկու դեղին և մեկ կարմիր լույս, իսկ գնացքաքարշի կողմը՝ երեք թափանցիկ սպիտակ հսկիչ լույս (նկ. 7.6 բ): Եթե գլխամասում գնացքաքարշն է, ապա այն նշվում է ինչպես երթևեկության ժամանակ ձնեմաքրիչը գլխամասում (նկ. 7.6 բ): 7.9 Գնացքաքարշը մանևրային տեղաշարժերի ժամանակ, այդ թվում՝ դեպի շարժակազմ և շարժակազմից հետ, գիշերը՝ հիմնական կառավարման վահանակի կողմից, ինչպես առջևից այնպես էլ հետևից պետք է ունենա մեկական թափանցիկ սպիտակ լույս, տեղադրված բուֆերային չորսուների վրա: 7.10 Հանովի տեսակի դրեզինաները, գծային վագոնները և մյուս հանովի շարժական միավորները վազուրդում գտնվելիս պետք է ունենան. Միուղի տեղամասերով և երկուղի տեղամասերի ոչ ճիշտ ուղով երթևեկության դեպքում. Ցերեկը՝ ուղղանկյուն վահանակ, երկու կողմերից կարմիր ներկված, կամ ձողի վրա բացված կարմիր դրոշակ Գիշերը՝ առջևից և հետևից կարմիր լույսով լապտեր, ամրացված ձողին: Երկուղի տեղամասերի ճիշտ ուղով երթևեկելիս. Ցերեկը՝ ուղղանկյուն վահանակ՝ ներկված առջևից սպիտակ և հետևից կարմիր գույն Գիշերը՝ առջևից թափանցիկ սպիտակ լույս և հետևից ձողին ամրացված կարմիր լույսով լապտեր: Էլեկտրիֆիկացված տեղամասերի վազուրդում աշխատանքի ժամանակ, հանովի վերանորոգման աշտարակները պետք է ունենան. Միուղի տեղամասերով և երկուղի տեղամասի ոչ ճիշտ ուղով երթևեկության դեպքում. Ցերեկը՝ երկու կողմից բացված կարմիր դրոշակ Գիշերը՝ առջևից և հետևից լապտերի կարմիր լույս: Երկուղի տեղամասերի ճիշտ ուղով ընթանալու դեպքում. Ցերեկը՝ գնացքի ընթացքի ուղղությամբ աջ կողմից բացված կարմիր դրոշակ Գիշերը՝ առջևից լապտերի թափանցիկ սպիտակ լույս, հետևից լապտերի կարմիր լույս: Բոլոր դեպքերում ազդանշանները պետք է ամրացված լինեն հանովի վերանորոգման աշտարակի հողանցման գոտու վերին մակերեսի վրա: Վազուրթներում հանովի վերանորոգման աշտարակները և գծային վագոնները, բացի այդ, պետք է երկու կողմից սահմանափակված լինեն փոխադրելի և ձեռքի կարմիր ազդանշաններով, որոնք վերանորոգման աշտարակի և վագոնի տեղաշարժվելու հետ միաժամանակ փոխադրվում են B հեռավորության վրա (աղյուսակ 3.1 սյունակ 4) կախված ղեկավարող վայրէջքից և վազուրդում առավելագույն թույլատրվող արագությունից: Կայարաններում աշխատելու դեպքում հանովի վերանորոգման աշտարակը պետք է ունենա. Ցերեկը՝ երկու կողմից բացված կարմիր դրոշակ Գիշերը՝ առջևից և հետևից լապտերի կարմիր լույս: Գծային վագոնը պետք է ունենա. Ցերեկը՝ երկու կողմից կարմիր ներկված վահանակ կամ ձողի վրա կարմիր դրոշակ Գիշերը՝ առջևից և հետևից ձողին ամրացված լապտերի կարմիր լույս: Կայարանային ուղիներով և սլաքային փոխադրիչներով երթևեկելու դեպքում վերանորոգման աշտարակը և գծային վագոնը երկու կողմից 50 մետրից պակաս հեռավորության վրա, պետք է սահմանափակված լինի փոխադրելի և ձեռքի կարմիր ազդանշաններով, որոնք միաժամանակ փոխադրվում են հանովի վերանորոգման աշտարակի և գծային վագոնի տեղաշարժվելու դեպքում: Եթե երկուղի և բազմուղի տեղամասերում կից ուղով ընթանում է հանդիպակաց գնացք, ապա վերանորոգման աշտարակը, գծային վագոնը կամ այլ շարժական միավորը առջևի կողմից սահմանափակող կարմիր ազդանշանը հանվում է մինչև գնացքի անցնելը: Էլեկտրիֆիկացված երկուղի տեղամասերում, բացի ավտոուղեփակումով սարքավորված տեղամասերից և տեղամասերից, որտեղ ուղևորատար գնացքներն ընթանում են 120 կմ/ժ և ավելի արագությամբ, հանովի վերանորոգման աշտարակի սահմանափակումը թույլատրվում է գնացքների երթևեկության ուղղությամբ՝ ճիշտ ուղով: Նման տեղամասերում հանովի վերանորոգման աշտարակների աշխատանքի կազմակերպման կարգը, որն ապահովում է գնացքների անվտանգ երթևեկությունը, հաշվի առնելով տեղային պայմանները, սահմանում է Երկաթուղու դեպարտամենտը: Երկաթուղու այն աշխատողները, ովքեր սահմանափակում են հանովի վերանորոգման աշտարակները, գծային վագոնները և մյուս հանովի շարժական միավորները, ինչպես նաև հանովի միավորների տեղաշարժերը ղեկավարող աշխատողները գնացքների մոտեցումն ազդարարելու և անհրաժեշտության դեպքում նրանց կանգնեցնելու համար, բացի փոխադրելի վահանակներից, ձեռքի դրոշակներից և ազդանշանային լապտերներից, պետք է ապահովված լինեն պետարդներով և եղջերափողերով: Գ Լ ՈՒ Խ 8 ՁԱՅՆԱՅԻՆ ԱԶԴԱՆՇԱՆՆԵՐ 8.1 Գնացքների երթևեկության ժամանակ ձայնային ազդանշանները տրվում են գնացքաքարշերի, մոտորավագոնային գնացքների և դրեզինաների սուլիչներով, եղջերափողերով, ձեռքի սուլիչներով:
Կրկնակի քարշով ընթացք Մեկ կարճ Պահանջ երկրորդ գնացքաքարշի մեքենավարին. Առաջատար գնացքաքարշի մեքենավարը. Երկու կարճ Պահանջ երկրորդ գնացքաքարշի մեքենավարին. Երկու երկար և Պահանջ երկրորդ գնացքաքարշի մեքենավարին. «Իջեցնել Հրող գնացքաքարշով ընթացք Երկու կարճ Պահանջ. սկսել հրումը Առաջատար գնացքաքարշի մեքենավարը. Մեկ կարճ, մեկ երկար և մեկ կարճ Պահանջ. ավարտել հրումը, բայց հետ չմնալ գնացքից Չորս երկար Պահանջ. ավարտել հրումը և վերադառնալ Նշում. Կրկնակի քարշի դեպքում հրող գնացքաքարշով գնացքի ընթանալու ժամանակ երկրորդ գնացքաքարշի մեքենավարը կրկնում է բոլոր ազդանշանները, դրանք հրող գնացքաքարշից հաղորդելուց անմիջապես հետո: Կրկնակի քարշով կամ հրող գնացքաքարշով գնացքների ընթանալու ժամանակ ռադիոկապի առկայության դեպքում բոլոր ազդանշանները կարող են փոխարինվել մեքենավարների միջև բանակցություններով: 8.2 Ազդարարող ազդանշան. գնացքաքարշի (մոտորավագոնային գնացքի) և դրեզինայի մեկ երկար սուլոց՝ տրվում է հետևյալ դեպքերում. Երբ գնացքը մոտենում է կայարաններին, գծային կետին, ուղևորային կանգառներին, արագության նվազեցում պահանջող փոխադրելի և ձեռքի ազդանշաններին, «C» ազդանշանային նշաններին, փոսերին, ուղու կոր տեղամասերին, թունելներին, գծանցներին, հանովի դրեզինաներին, հանովի վերանորոգման աշտարակներին, գծային վագոններին և մյուս հանովի միավորներին: Երբ գնացքը մոտենում է աշխատանքի վայրին, անկախ փոխադրելի ազդանշանների առկայությունից, սկսած նախազգուշացման մեջ նշված նախորդ կիլոմետրից. Ազդանշանորդի կողմից տրված «Իջեցնել հոսանքաընդունիչը» ձեռքի ազդանշանն ընդունելու դեպքում. Ուղու վրա գտնվող մարդկանց մոտենալու և մյուս դեպքերում, նշված երկաթուղու դեպարտամենտի հրամաններում: Մառախուղի, բքի և այլ անբարենպաստ պայմաններում գնացքի ընթանալու դեպքում, երբ նվազում է տեսանելիությունը, ազդարարող ազդանշանը կրկնվում է մի քանի անգամ, իսկ ոչ ճիշտ ուղով ընթանալիս սուլիչով տրվում է ազդանշան՝ մեկ երկար, կարճ և երկար: Ազդանշանորդները, սլաքային կետի հերթապահները և գնացքի ընդունման պատճառով մանևրները դադարեցրած գնացքներ կազմողները ազդարարող ազդանշանի դեպքում պարտավոր են ստուգել և համոզվել, որ ընդունվող գնացքի անվտանգ երթևեկությունն ապահովված է: 8.3 Զգոնության ազդանշանը տրվում է գնացքաքարշի (մոտորավագոնային գնացքի) մեկ կարճ և մեկ երկար սուլոցով և պարբերաբար կրկնվում է հետևյալ դեպքերում. Պայմանական-թույլատրող ազդանշան ունեցող կարմիր լույսով միջանցիկ լուսաֆորին մոտենալիս՝ հետագայում բլոկ-տեղամասով ընթանալու համար. Կարմիր լույսով, ինչպես նաև անհասկանալի ցուցմունքով և կանգառից հետո նրա առջև հանգած միջանցիկ լուսաֆորը անցնելիս՝ հետագայում բլոկ-տեղամասով ընթանալու համար. Լուսնասպիտակ լույսի հրավիրող ազդանշանով մուտքի լուսաֆորին մոտենալիս և բոլոր այն դեպքերում, երբ գնացքը կայարան է ընդունվում մուտքի ազդանշանի արգելող ցուցմունքով կամ հիմնական լույսերի հանգած վիճակում. Ոչ ճիշտ ուղով գնացքների ընդունման դեպքում, երբ այդ ուղով մուտքի ազդանշանը բացակայում է: Այդ ազդանշանը պետք է տրվի նաև հետագա ընթացքի ժամանակ կայարանի բկանցքով: 8.4 Երկուղի տեղամասերի վազուրդներում գնացքների հանդիպման դեպքում տրվում են ազդարարման ազդանշաններ մեկ երկար սուլոցով. Առաջին ազդանշան՝ հանդիպակաց գնացքին մոտենալիս Երկրորդ ազդանշան՝ հանդիպակաց գնացքի պոչամասին մոտենալիս: 8.5 Գնացքի մոտեցման ձայնազդանշաններ տալիս են. Վազուրդներում՝ երկաթուղիների և արհեստական կառույցների ուղեհսկիչները, գծանցների հերթապահները, հանովի վերանորոգման աշտարակների և գծային վագոնների ուղեկցորդները, գծային և հպակային ցանցի աշխատանքների ղեկավարները, կայարաններում՝ ազդանշանորդները և սլաքային կետի հերթապահները: Կենտ գնացքի մոտեցումն ազդարարվում է մեկ, իսկ զույգ գնացքինը՝ երկու երկար ձայնային ազդանշաններով: Լսելով գնացքի մեկնման ազդանշան, ազդանշանորդները և ելքի սլաքային կետի հերթապահները տալիս են մեկ երկար ձայնային ազդանշան: 8.6 Երկաթուղու դեպարտամենտի պետի կողմից հաստատված ցուցակում ընդգրկված կայարաններում և վազուրդներում, որոնք գտնվում են մեծ քաղաքների և բնակավայրերի, հանգստավայրերի սահմաններում, գնացքաքարշերը (մոտորավագոնային գնացքների) պետք է ձայնային ազդանշաններ տան ցածր հնչողության սուլիչներով, բացառությամբ այն դեպքերի, երբ գնացքաքարշն ընթանում է հրումով գնացքում, խոչընդոտների և մարդկանց վրա վրաերթերի սպառնալիք առաջանալու ժամանակ, ինչպես նաև տագնապի և զգոնության ազդանշաններ տալու անհրաժեշտության դեպքում: Այդ կայարաններում գնացքները մեկնելիս, ավտոարգելակները փորձարկելիս և դեպոյական ուղիներով երթևեկելիս գնացքաքարշի (մոտորավագոնային գնացքները) սուլիչներով ազդանշաններ չեն տրվում: Այդպիսի կայարաններում ուղևորներին գնացքների մեկնման մասին ազդարարելու կարգը սահմանում է Երկաթուղու դեպարտամենտը: Գ Լ ՈՒ Խ 9 ՏԱԳՆԱՊԻ ԱԶԴԱՆՇԱՆՆԵՐ ԵՎ ՀԱՏՈՒԿ ՑՈՒՑԱՆՇԱՆՆԵՐ 9.1 Տագնապի ազդանշանները տրվում են գնացքաքարշերի (մոտորավագոնային գնացքների) և դրեզինաների շչակներով և սուլիչներով, եղջերափողերով, սիրենաներով, ռազմական ազդանշանային շեփորներով, կախված մետաղական առարկաներին հարվածելով: Ձայնազդանշանների սխեմայում նշված ձայները հարվածներով ազդանշանելու դեպքում վերարտադրվում են. Երկարները՝ հաճախ մեկը մյուսին հաջորդող հարվածներով Կարճերը՝ անհրաժեշտ քանակով կարճ ձայների հազվադեպ հարվածներով: 9.2 «Ընդհանուր տագնապ» ազդանշանը տրվում է խմբերով, յուրաքանչյուրը՝ մեկ երկար և երեք կարճ ձայնով - ● ● ● - ● ● ● - ● ● ● Նման ազդանշանները տրվում են հետևյալ դեպքում. Ուղու վրա երթևեկության անվտանգությանն սպառնացող անսարքություն հայտնաբերելիս. Երբ գնացքը կանգնում է ձնակուտակման մեջ, նրա՝ վթարի ենթարկվելիս և այլ դեպքերում, երբ օգնություն է պահանջվում: Անհրաժեշտության դեպքում ազդանշանը տրվում է երկաթուղու յուրաքանչյուր աշխատողի կողմից: 9.3 «Հրդեհի տագնապ» ազդանշանը տրվում է խմբերով, յուրաքանչյուրը՝ մեկ երկար և երկու կարճ ձայն - ● ● - ● ● - ● ● Անհրաժեշտության դեպքում ազդանշանը տրվում է երկաթուղու յուրաքանչյուր աշխատողի կողմից: 9.4 «Օդային տագնապ» ազդանշանը տրվում է սիրենաների երկարաձգված հնչումով, ինչպես նաև երկու-երեք րոպեի ընթացքում անընդմեջ կարճ ձայների շարքով ● ● ● ● ● ● Քաղաքներում սիրենաներով կամ ռադիոտրանսլյացիոն ցանցով տրված օդային տագնապի ազդանշանն անմիջապես կրկնվում է այնտեղ գտնվող կայարանների, գործարանների և երկաթուղու մյուս ձեռնարկությունների սիրենաներով, ինչպես նաև գնացքաքարշի (մոտորավագոնային գնացքների) և դրեզինաների սուլիչներով և շչակներով: Քաղաքից դուրս գտնվող կայարաններում, գործարաններում և երկաթուղու մյուս ձեռնարկություններում օդային տագնապի ազդանշանը տրվում է նույն միջոցներով, համապատասխանաբար կայարանապետերի, գործարանների և ձեռնարկությունների տնօրենների կարգադրությամբ: Վազուրդներում օդային տագնապի ազդանշանը տրվում է գնացքաքարշերի (մոտորավագոնային գնացքների) և դրեզինաների սուլիչներով: Ռազմական գնացքներում տագնապի ազդանշանը տրվում է տեղափոխվող զինմասի անձնակազմից առանձնացված դիտորդի կարգադրությամբ, մյուս գնացքներում՝ գնացքը վարող գնացքաքարշի մեքենավարը: Երկաթուղային ռադիոտրանսլյացիոն ցանցի առկայության դեպքում (գնացքներում, կայարաններում, գործարաններում և երկաթուղու մյուս ձեռնարկություններում) օդային տագնապի ազդանշանի ազդարարումը կատարվում է այդ ցանցի միջոցով: 9.5 «Ռադիոակտիվ ճառագայթման վտանգ» կամ «Քիմիական վտանգ» ազդանշանը տրվում է երկու-երեք րոպեի ընթացքում. Վազուրդներում՝ գնացքաքարշերի (մոտորավագոնային գնացքների) և դրեզինաների սուլոցների խմբերով, յուրաքանչյուրը՝ մեկ երկար և մեկ կարճ ձայն - ● - ● - ● Կայարաններում, գործարաններում և երկաթուղու մյուս ձեռնարկություններում՝ կախված մետաղական առարկաներին հաճախակի հարվածելով: «Ռադիոակտիվ ճառագայթման վտանգ» կամ «Քիմիական տագնապ» ազդանշանները կայարաններում, գործարաններում և երկաթուղու մյուս ձեռնարկություններում տրվում են համապատասխանաբար՝ կայարանապետերի, գործարանների և ձեռնարկությունների տնօրենների կարգադրությամբ, իսկ վազուրդներում ազդանշանը տալիս է առաջատար գնացքաքարշի (մոտորավագոնային գնացքների) և դրեզինայի վարորդը: Երկաթուղային ռադիոտրանսլյացիոն ցանցի առկայության դեպքում ռադիոակտիվ ճառագայթման կամ քիմիակամ վտանգի ազդարարումը կատարվում է նաև այդ ցանցի միջոցով՝ նշված ազդանշանների տեքստի հաղորդմամբ: 9.6 Օդային տագնապի, ինչպես նաև ռադիոակտիվ կամ թունավոր նյութերով վնասվելու սպառնալիքի անցնելու ավարտի մասին երկաթուղու աշխատողները և ուղևորներն ազդարարվում են. Կայարաններում, գործարաններում և երկաթուղու մյուս ձեռնարկություններում կայարանապետերի, գործարանների և ձեռնարկությունների տնօրենների կամ նրանց կողմից լիազորված անձերի ցուցումով ռադիոտրանսլյացիոն ցանցի և կապի մյուս միջոցներով, ինչպես նաև հանձնակատարների միջոցով: Ուղևորատար գնացքներում գնացքի պետի (բրիգադիրի) ցուցումով, որը հաղորդվում է գնացքն սպասարկող անձնակազմի միջոցով և գնացքի ռադիոտրանսլյացիոն ցանցով. Մարդկային և ռազմական էշելոններում կայարանի հերթապահից հաղորդում ստանալու դեպքում էշելոնի պետի ցուցումով, կապի եղած միջոցներով Բեռնաուղևորատար, փոստաուղեբեռային և բեռնատար գնացքներում՝ կայարանի հերթապահի միջոցով: 9.7 Գնացքաքարշային բրիգադներին և գնացքն սպասարկող մյուս աշխատողներին գնացքի վարակված տարածք ուղևորվելու մասին նախազգուշացնելու, ինչպես նաև առանց անհատական պաշտպանության միջոցների (հակագազերի, պաշտպանազգեստների և այլն) նրանց մուտքն այնտեղ կանխելու համար վարակված տեղամասը սահմանափակվում է հատուկ ցուցանշաններով՝ «Վարակված է» (նկ. 9.1): Գնացքի ընթացքի ուղղությամբ առաջին «Վարակված է» ցուցանշանից առաջ կամ այն վայրից առաջ, որը նշված է վարակված տարածքի առկայության մասին կայարանի հերթապահից ստացված ծանուցագրի մեջ, գնացքի մեքենավարը պարտավոր է տալ «Ռադիոակտիվ ճառագայթման վտանգ» կամ «Քիմիական տագնապ» ազդանշանը և սահմանված արագությամբ անցնել վարակված տեղամասը: «Վարակված է» տեսակի ազդանշանները գիշերը պետք է լուսավորվեն: 9.8 Լուսաֆորների, լապտերների, սլաքային ցուցանշանների, գնացքային, ձեռքի և մյուս ազդանշանային լույսերը պետք է ապահովվեն լուսաքողարկման համասարքերով:
ՀՀ արդարադատության
նախարարության կողմից
1 փետրվարի 2002 թ.
Պետական գրանցման թիվ 11602022
ՏՐԱՆՍՊՈՐՏԻ ԵՎ ԿԱՊԻ ՆԱԽԱՐԱՐ
ք. ԵրևանN 116-057 Երկու դեղին լույս, նրանցից վերինը թարթող և մեկ կանաչ լուսավորվող շերտագիծ՝ «Թույլատրվում է գնացքին ընթանալ կայարանի կողային ուղի ոչ ավելի քան 80 կմ/ժ կամ տվյալ կայարանի համար սահմանված արագությամբ. հաջորդ լուսաֆորը բաց է և պահանջվում է նրա անցումը նվազեցված արագությամբ» (նկ. 2.3 բ):
կայարանի համար սահմանված արագությամբ և պատրաստ կանգնելու հաջորդ լուսաֆորի մոտ» (նկ. 2.3 գ):
2.4 ա):
դեպքերում մուտքի և երթուղային լուսաֆորների վրա կարող է կիրառվել երեք դեղին լույս՝ «Թույլատրվում է մոտորավագոնային գնացքին, միայնակ գնացքաքարշին, հանովի տեսակի դրեզինային ընթանալ ուղու ազատ հատվածը մեծ զգուշությամբ և ոչ ավելի, քան 25 կմ/ժ կամ տվյալ կայարանի համար սահմանված արագությամբ մինչև կարմիր լույսով երթուղային լուսաֆորը»:
կարմիր կամ հանգած լույսով լուսաֆորը և շարունակել ընթացքը մինչև հաջորդ լուսաֆոր (կամ մինչև սահմանային սյունիկ՝ ելքի լուսաֆոր չունեցող ուղի ընդունելու դեպքում) ոչ ավելի քան 20 կմ/ժ կամ տվյալ կայարանի համար սահմանված արագությամբ, հատուկ զգոնությամբ և պատրաստ՝ անհապաղ կանգնելու, եթե հետագա ընթացքի համար խոչընդոտ հանդիպի» (նկ. 2.5):
Մեկ կանաչ լույս՝ «Թույլատրվում է գնացքին մեկնել կայարանից և ընթանալ սահմանված արագությամբ. առջևում ազատ են երկու և ավելի բլոկ-տեղամասեր» (նկ. 2.6 ա):
2.8 Ավտոուղեփակումով սարքավորված տեղամասերում թեք մակնիշի ուղեփոխիչներով սլաքային փոխադրիչների վրայով գնացքների շեղումով մեկնելու դեպքում տրվում են հետևյալ ազդանշանները.
համար սահմանված արագությամբ, գնացքը շեղումով ընթանում է սլաքային փոխադրիչի վրայով. հաջորդ լուսաֆորը փակ է» (նկ. 2.7 բ):
կայարան ազատ է. հաջորդ կայարանի մուտքի լուսաֆորը բաց է» (նկ. 2.9 բ):
ճյուղավորում, կամ բազմուղի տեղամասի ուղիներից որևէ մեկը կամ երկկողմանի ավտոուղեփակման դեպքում ոչ ճիշտ ուղի կարող է տրվել ելքի լուսաֆորի երկու կանաչ լույս ազդանշանով, որը ցույց է տալիս ավտոուղեփակման դեպքում՝ ոչ պակաս, քան երկու բլոկ-տեղամասի ազատ լինելը, իսկ կիսաավտոմատ ուղեփակման դեպքում՝ վազուրդի ազատ լինելը մինչև հաջորդ կայարան (նկ. 2.10):
Մեկ կանաչ լույս՝ «Թույլատրվում է երթևեկությունը սահմանված արագությամբ. առջևում ազատ են երկու և ավելի բլոկ-տեղամասեր» (նկ. 2.12):
արագությամբ. գնացքն ընդունվում է կայարանի կողային ուղի» (նկ. 2.16 ա):
Նախամուտքային լուսաֆորի կայմի վրա տեղադրվում է անդրադարձիչներով ազդարարող ցուցանակ (նկ. 2.16):
2.18 Ավտոուղեփակումով տեղամասերի երկարաձիգ վերելքում տեղավորված անցումային լուսաֆորի պայմանական-թույլատրող «T» տառի պատկերով ազդանշանը, տրվող թափանցիկ-սպիտակ գույնի անրադարձնող նշանով վահանակից (նկ. 2.19), թույլատրում է, որ բեռնատար գնացքն անցնի կարմիր լույսով լուսաֆորը ոչ ավելի, քան 20 կմ/ժ արագությամբ, հատուկ զգոնությամբ և պատրաստ անհապաղ կանգնելու, եթե հետագա երթևեկության ընթացքում հանդիպի արգելքի:
2.20 Արգելափակող լուսաֆորով տրվում է.
Դեղին լույս՝ գնացքի մոտեցման մասին գծային լուսաֆորին, որի վրա վառվում է երկու դեղին լույս, նրանցից վերինը թարթող, ինչպես նաև մյուս լույսերով, որոնք ցույց են տալիս սլաքային փոխադրիչի վրայով շեղումով ընթանալը:
Գծային լուսաֆորին մոտենալիս գնացքաքարշային լուսաֆորները տալիս են ազդանշաններ, նշված սույն հրահանգի 2.23 կետում:
3.1 Դեղին գույնի սկավառակ (նկ. 3.1 ա)՝ «Թույլատրվում է երթևեկությունը նվազեցված արագությամբ և պատրաստ անցնելու «Վտանգավոր վայրի սկիզբ» և «Վտանգավոր վայրի վերջ» ազդանշանային նշաններով սահմանափակված վտանգավոր վայրը գծի ուղեմասի ղեկավարի կողմից սահմանված արագությամբ, կանաչ գույնի սկավառակ (նկ. 3.1 բ)՝ «Գնացքն անցավ վտանգավոր վայրը»: Միուղի տեղամասերում մեքենավարը այդպիսի ազդանշանը տեսնում է երթևեկության ուղղության ձախ կողմից:
սյունակում, կախված ղեկավարող վայրէջքից և վազուրդում գնացքների երթևեկության առավելագույն թույլատրված արագությունից, տեղադրվում են արագության նվազեցման մշտական ազդանշաններ: Արագության նվազեցման մշտական սկավառակների, «Վտանգավոր վայրի սկիզբ» և «Վտանգավոր վայրի վերջ» ազդանշանային նշանների տեղադրման կարգը միուղի տեղամասերում ցույց է տրված թիվ 3.2 ա նկարում, երկուղի տեղամասի ուղիներից որևէ մեկում՝ նկ. 3.2 բ, երկուղի տեղամասի երկու ուղիներում՝ նկ. 3.2 գ:
Հ/Հ
A
B
Բեռնատար գնացքների ոչ ավելի, քան 80 կմ/ժ, ուղևորատար և սառնավագոնային գնացքների ոչ ավելի, քան 100 կմ/ժ երթևեկության արագությունների դեպքում.
Բեռնատար գնացքների ոչ ավելի, քան 80 կմ/ժ, ուղևորատար և սառնավագոնային գնացքների ոչ ավելի, քան 100 կմ/ժ երթևեկության արագությունների դեպքում.
Վտանգավոր վայրում տեղադրված դեղին գույնի քառակուսի վահանակ ցերեկը և գիշերը (նկ. 3.3 բ):
Եթե խոչընդոտներով վայրը կամ աշխատանքների կատարման վայրը գտնվում է մուտքի ազդանշանից 60 մետրից պակաս հեռավորության վրա (կամ «Կայարանի սահման» ազդանշանային նշանից), ապա պետարդներ կայարանի կողմից չեն շարվում: Մուտքի ազդանշանի առջև խոչընդոտի սահմանափակման սխեման ցույց է տրված թիվ 3.5 նկարում:
Բազմուղի վազուրդներում խոչընդոտներով վայրերը և աշխատանքների կատարման վայրերը սահմանափակվում են համաձայն երկաթուղու դեպարտամենտի կողմից որոշված կարգի:
Նախազգուշացում չստացած ուղեկցողով գնացքին անհրաժեշտության դեպքում բաց թողնելու համար պետարդների շարելը պարտադիր է:
3.7 Պետարդները բոլոր դեպքերում շարվում են երեք հատ. երկու հատը գնացքի երթևեկության ուղղությամբ աջ գծնակի վրա և մեկը՝ ձախ գծնակի վրա (նկ. 3.6): Պետարդների միջև հեռավորությունը պետք է լինի 20-ական մետր:
Փոխադրելի դեղին ազդանշանին մոտենալու դեպքում մեքենավարը պարտավոր է տալ գնացքաքարշի (մոտորավագոնային գնացքի) մեկ երկար սուլոց և վարի գնացքն այնպես, որ և «Վտանգավոր վայրի սկիզբ» (նկ. 3.9 ա) և «Վտանգավոր վայրի վերջ» (նկ. 3.9 բ) ազդանշանային նշաններով սահմանափակված վայրն անցնի նախազգուշացման մեջ նշված արագությամբ, իսկ նախազգուշացման բացակայության դեպքում՝ ոչ ավելի քան 25 կմ/ժ արագությամբ:
3.9 Գծերի վրա աշխատանքների կատարման վայրերը, որոնք չեն պահանջում կանգառի կամ արագության նվազեցման ազդանշաններով սահմանափակում, բայց պահանջվում է աշխատողներին նախազգուշացնել գնացքների մոտեցման մասին, սահմանափակվում են սուլոց տալու «C» փոխադրելի ազդանշանային նշանով, որոնք տեղադրվում են ուղու մոտ, որտեղ կատարվում են աշխատանքներ, ինչպես նաև գլխավոր ուղու յուրաքանչյուր կից ուղու մոտ (նկ. 3.10):
Կայարանային ուղիներում աշխատանքների կատարման կամ երթևեկությանը խոչընդոտող վայրերը կանգառի ազդանշաններով սահմանափակելու դեպքում այդ վայր տանող բոլոր սլաքները դրվում են այնպիսի դրության, որպեսզի շարժակազմը չկարողանա դուրս գալ նրանց վրա և կողպվում կամ կարվում են մեծամեխերով: Աշխատանքների կատարման կամ երթևեկությանը խոչընդոտող վայրում ուղու առանցքի վրա տեղադրվում է փոխադրելի կարմիր ազդանշան (նկ. 3.11 ա):
Երբ սլաքը նշված դրությամբ դնել չի թույլատրվում, ապա աշխատանքների կատարման կամ երթևեկությանը խոչընդոտող վայրից այդ սլաքի ուղղությամբ 50 մ հեռավորության վրա տեղադրվում է փոխադրելի կարմիր ազդանշան (նկ. 3.12 ա):
Կանգնած գնացքը սահմանափակող վերջին ուղևորատար վագոնի ուղեկցորդը պետք է գործարկի ձեռքի արգելակը, գնացքի պոչամասից 800 մ հեռավորության վրա շարի պետարդներ, որից հետո հեռանա շարված պետարդներից 20 մ դեպի գնացքը և ցույց տա վազուրդի կողմը ձեռքի կարմիր ազդանշան (նկ. 3.16):
3.16 Երկուղի կամ բազմուղի վազուրդներում գծնակներից դուրս ընկնելու, բախումների, բեռներ թափվելու և այլ հետևանքներով գնացքի հարկադրական կանգառի դեպքում, երբ պահանջվում է սահմանափակել կից ուղով երթևեկելուն խոչընդոտող վայրը, մեքենավարը պետք է տա ընդհանուր տագնապի ազդանշան:
4.1 Ձեռքի ազդանշաններով ներկայացվում են հետևյալ պահանջները.
օգտագործվել միայն կայարանի սահմաններում: Գիշերը՝ դեղին լույսով լապտերի բացակայության դեպքում կայարանում արագության նվազեցման ազդանշան կարող է տրվել թափանցիկ-սպիտակ լույսով ձեռքի լապտերի դանդաղ շարժումով վերև և ներքև (նկ. 4.4):
Չվացուցակով չնախատեսված մարդատար, փոստաուղեբեռային և բեռնամարդատար գնացքների կանգառի համար կայարանի հերթապահը, որի պարտականություններում նախատեսված է գնացքի դիմավորելը, պետք է ցույց տա.
Կայարանի հերթապահը պետք է դիմավորի և ճանապարհի գնացքներին՝ գլխին ունենալով համազգեստային գլխարկ կարմիր գույնի վերնամասով:
Ցերեկը՝ բացված կարմիր դրոշակով
Ցերեկը՝ փաթաթված դեղին դրոշակով,
ԵՐԹՈՒՂԱՅԻՆ ՑՈՒՑԱՆՇԱՆՆԵՐ5.1 Այն դեպքում, երբ անհրաժեշտ է ցույց տալ ընդունման ուղին, գնացքի կամ մանևրային շարժակազմի ընթանալու ուղղությունը, օգտագործվում են ուղղության երթուղային լուսացուցիչներ՝ սպիտակ գույնի (թվային, տառային կամ դրության), որոնք տեղադրվում են լուսաֆորների կայմերի կամ առանձին կայմի վրա (նկ. 5.1 ա):
ա) Սլաքը դրված է գլխավոր ուղու վրա.
բ) Սլաքը դրված է կողային ուղու վրա.
դ) Սլաքները դրված են կողային ուղուց դեպի գլխավոր.
5.5 Ուղու արգելափակման ցուցանշանները ցույց են տալիս.
Որպես ուղու արգելափակման ազդանշանային սարքեր թույլատրվում է օգտագործել սլաքային տիպային լապտերները:
ներկված կարմիր: Երբ ջրաբաշխասյան պտտվող մասը տեղադրված է ուղու լայնքով, տրվում է ազդանշան «Կանգնի'ր», իսկ ցերեկը երևում է ջրաբաշխասյան պտտվող մասը (նկ. 5.8):
5.7 Երկաթուղու տեղամասերում, որտեղ տեղադրված են անցնող գնացքների գերտաքացած առանցքատուփերի հայտնաբերման համասարքեր, օգտագործվում են լուսազդանշանային ցուցանշաններ, որոնք տեղադրվում են հպակային ցանցի հենասյուների կամ առանձին կայմերի վրա (նկ. 5.9):
5.8 Հաստատուն հոսանքով էլեկտրիֆիկացված տեղամասերի օդային բացվածքների առջև, որտեղ հպակային ցանցի որևէ տեղամասում (սեկցիա) լարման հանկարծակի հանման դեպքում չի թույլատրվում էլեկտրաշարժակազմի անցումը բարձրացված հոսանքաընդունիչներով, օգտագործվում են լուսազդանշանային ցուցանշաններ՝ «Իջեցնել հոսանքաընդունիչը», որը տեղադրվում է հպակային ցանցի հենասյուների կամ առանձին կայմերի վրա (նկ. 5.10):
5.9 Այն դեպքում, երբ օգտագործվում են «Իջեցնել հոսանքաընդունիչը» ազդանշանային ցուցանշանները, նրանց առջև տեղադրվում է անդրադարձիչներով մշտական ազդանշանային նշան՝ «Ուշադրությո'ւն. հոսանքահատիչ է» (նկ. 5.11 ա):
ազդանշանային նշանների տեղադրման սխեման ցույց է տրված նկ. 5.12-ում: Նրանց տեղադրումը չպետք է վատացնի մշտական ազդանշանների տեսանելիությունը և ընկալումը:
5.10 Օդային բացվածքները սահմանափակող հպակային ցանցի հենասյուները պետք է ունենան տարբերակիչ նշան՝ չորս սև և երեք սպիտակ հաջորդող հորիզոնական շերտագծեր: Գնացքների երթևեկության ուղղությամբ առաջին հենասյունը լրացուցիչ նշվում է ուղղահայաց սև շերտագծով (նկ. 5.13 ա):
տրվում կայարանի սահմանը երկուղի և
բազմուղի տեղամասերում: Նշանի վրա գրությունը պետք է լինի նրա երկու կողմերից:
նշան «C»՝ տալ սուլոց, տեղադրվում է թունելների, կամուրջների, գծանցների առջև և այլն (նկ. 5.17):
տեղադրվում է հպակային ցանցի վրա այն տեղերում, որտեղ վերջանում է հպակային լարի աշխատանքային գոտին:
«Իջեցնել հոսանքաընդունիչը» (նկ. 5.23 բ)
ազդանշանային նշանները տեղադրվում են թիվ 5.24 նկարում նշված սխեմայով:
մեքենավարին տալ «Իջեցնել հոսանքաընդունիչը» ձեռքի նշանը (նկ. 5.25).
հոսանքաընդունիչները և շարունակել երթևեկությունը:
«Իջեցնել դանակը, բացել թևերը»՝ արգելքից հետո (նկ. 5.27):
Իրար մոտ գտնվող երկու արգելքների դեպքում, երբ նրանց միջև ձնեմաքրիչի աշխատանքը հնարավոր չէ, ձողի վրա դրվում է երկու նշան՝ մեկը մյուսի տակ (նկ. 5.31):
6.1 Մանևրային լուսաֆորներով տրվում են ազդանշաններ.
Սլաքների և ազդանշանների էլեկտրական կենտրոնացում ունեցող կայարաններում անհրաժեշտ դեպքում մանևրային լուսաֆորների վրա կարող է կիրառվել երկու լուսնասպիտակ լույսի ազդանշան՝ «Թույլատրվում է կատարել մանևրներ, այդ լուսաֆորով սահմանափակված ուղին ազատ է»:
Այն դեպքում, երբ բլրային լուսաֆորների ազդանշանային տեսանելիությունը չի ապահովվում, մեքենավարին նրանց ցուցմունքի մասին տեղեկություն տալու համար օգտագործվում են կրկնվող լուսաֆորներ կամ բլրային ավտոմատ գնացքաքարշային ազդանշանում: Գնացքաքարշային և բլրային լուսաֆորները պետք է ազդանշանեն նույն լույսերը, ինչը որ բլրային լուսաֆորները:
6.3 Մանևրային լուսաֆորների բացակայության դեպքում կարմիր լույսով ելքի և երթուղային լուսաֆորների անցումը մանևրների ժամանակ թույլատրում է կայարանի հերթապահը կամ նրա ցուցումով մանևրների ղեկավարը անձամբ:
Գիշերը՝ թափանցիկ սպիտակ լույսով ձեռքի լապտերի շարժումներով (նկ. 6.4) կամ մեկ երկար ձայն:
Ցերեկը՝ բացված կարմիր կամ դեղին դրոշակի շրջանաձև շարժումներով
Ոչ ճիշտ ուղով երթևեկության դեպքում գնացքի գլխամասը ցերեկը և գիշերը նշվում է. ձախ կողմից՝ լապտերի կարմիր լույսով, իսկ աջ կողմից՝ լապտերի թափանցիկ սպիտակ լույսով (նկ. 7.1 բ):
Ոչ ճիշտ ուղով վագոնների առաջ երթևեկելու դեպքում՝ բեռնատար գնացքի գլխամասը նշվում է.
Մարդատար և փոստաուղեբեռային գնացքներինը. ցերեկը և գիշերը՝ երեք կարմիր լույսով (նկ. 7.3 բ):
Գիշերը՝ աջ կողմից բուֆերային լապտերի մեկ կարմիր լույսով (նկ. 7.4 ա):
Գնացքի վերջին հավաքվող մասը նշվում է այնպես, ինչպես բեռնատար գնացքի պոչամասը:
Ցերեկը՝ բուֆերային լապտերների մոտ գտնվող երկու բացված դեղին դրոշակով
●
նվազեցնել քարշը
երկրորդ գնացքաքարշի մեքենավարը
ազդանշանը կրկնում է
● ●
ավելացնել քարշը
երկու կարճ
- - ● ●
հոսանքաընդունիչը»
● ●
հրող գնացքաքարշի մեքենավարը
ազդանշանը կրկնում է
● - ●
- - - -
Կայարաններում և վազուրդներում «Վարակված է» ցուցանշանները տեղադրվում են վարակված տեղամասից 50 մետրից ոչ ավելի հեռավորության վրա: Վազուրդները, բացի այդ, երթևեկության ուղղության աջ կողմից, վարակված տեղամասի երկու կողմերով առաջին «Վարակված է» ցուցանշաններից 1200 մ հեռավորության վրա սահմանափակվում են երկրորդ այդպիսի ցուցանշաններով: «Վարակված է» ցուցանշանները տեղադրվում են հողե պաստառի եզերքի վրա կամ գծերի միջև:
